Verschiedene Druckoptionen
Auf Briefumschläge drucken
Briefumschläge einlegen
Auf Briefumschläge drucken
Beachten Sie Folgendes zum Drucken auf Briefumschläge:
-
Sie können bis zu 10 Briefumschläge gleichzeitig in den Einzelblatteinzug einlegen.
 |  |
Hinweis:
|
 |  | -
Wenn Sie viele Exemplare drucken wollen, drucken Sie zunächst nur ein Exemplar, um zu prüfen, dass der Druck einwandfrei erfolgt. Drucken Sie anschließend die restlichen Exemplare.
|
|
 |  | -
Falzung und Stärke von Briefumschlägen sind sehr unterschiedlich. Wenn der Umschlagstapel höher als 10 mm ist, drücken Sie vor dem Einlegen jeden Umschlag flach. Falls die Druckqualität schlechter wird, wenn Sie einen Stapel Briefumschläge eingelegt haben, legen Sie die Briefumschläge einzeln ein.
|
|
-
Stellen Sie den Papierstärkehebel auf die Position
.
 |  |
Hinweis:
|
 |  | -
Stellen Sie den Papierstärkehebel vor dem Drucken von Umschlägen zurück in die Standardposition
. Um Lücken zu vermeiden, stellen Sie den Papierstärkehebel stets wieder zurück in die Position , bevor Sie auf ein anderes Druckmedium drucken.
|
|
 |  | -
Stellen Sie sicher, dass, wenn sich der Papierstärkehebel in der Position
befindet, das Kontrollkästchen Schnell im Dialogfeld Erweiterte Einstellungen des Druckertreibers nicht markiert ist. Um dieses Kontrollkästchen zu deaktivieren, müssen Sie möglicherweise auch die Einstellung der Druckqualität ändern.
|
|
-
Verwenden Sie keine gewellten oder gefalteten Briefumschläge.
-
Glätten Sie die Umschlagklappen vor dem Einlegen.
-
Verwenden Sie keine Briefumschläge, die zu dünn sind, sie könnten im Drucker zerknittern.
-
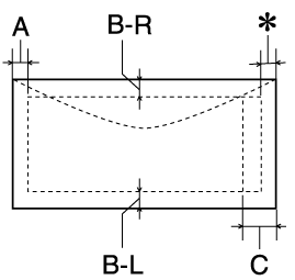
Der nachfolgend aufgeführte druckbare Bereich wird beim Drucken mit schwarzer Tinte empfohlen.
|
A:
|
Der Mindestrand oben beträgt 3 mm.
|
|
B-L:
|
Der Mindestrand links beträgt 3 mm.
|
|
B-R:
|
Der Mindestrand rechts beträgt 3 mm.
|
|
C:
|
Der untere Mindestabstand beträgt 14 mm (0.78").
|
|
:
|
Sie können den unteren minimalen Rand auf 3 mm erweitern, indem Sie das Kontrollkästchen Ränder minimieren unter Weitere Optionen im Menü Seitenlayout des Druckertreibers (Windows) bzw. die Option Maximal für Druckbarer Bereich im Dialogfeld Papierformat (Macintosh) wählen. Im erweiterten Druckbereich kann die Druckqualität jedoch abnehmen.
|
Briefumschläge einlegen
Siehe den nachstehenden Abschnitt.

[Oben]
Auf Briefumschläge drucken
 |
Öffnen Sie den Druckertreiber.
|
 |
Wählen Sie Normalpapier als Typ unter Papieroptionen im Menü Haupteinstellungen (Windows).
|
Wählen Sie Normalpapier als Medium im Dialogfenster Drucken (Macintosh).
 |
Wählen Sie das gewünschte Briefumschlagformat aus den verfügbaren Papierformat-Einstellungen im Menü Haupteinstellungen (Windows).
|
Wählen Sie das gewünschte Briefumschlagformat aus den verfügbaren Papierformat-Einstellungen im Dialogfenster Papierformat (Macintosh).
 |
Wählen Sie Querformat als Ausrichtung im Menü Haupteinstellungen (Windows).
|
Wählen Sie Querformat als Ausrichtung im Dialogfenster Papierformat (Macintosh).
 |
Klicken Sie auf OK, um das Dialogfenster Druckertreibereinstellungen zu schließen.
|
 |
Drucken Sie die Daten.
|
Beim Drucken auf Briefumschläge ist die Einstellung Sparmodus unter Papier- & Qualitätsoptionen im Menü Einstellungen (Windows) bzw. der benutzerdefinierte Sparmodus und die Einstellungen Sparmodus unter Druckqualität im Dialogfenster Einstellungen (Macintosh) nicht verfügbar.

[Oben]