Otras opciones de impresión
Impresión en sobres
Carga de sobres
Impresión en sobres
Tenga en cuenta los siguientes aspectos a la hora de imprimir en sobres:
-
Puede cargar un máximo de 10 sobres a la vez en el alimentador de hojas.
 |  |
Nota:
|
 |  | -
Si va a imprimir un gran número de hojas, imprima primero una de prueba. Si el resultado ha sido satisfactorio, ya puede imprimir el resto de las hojas.
|
|
 |  | -
La calidad del plegado y el grosor de los sobres varía mucho. Si el grosor total de la pila de sobres sobrepasa los 10 mm, alise los sobres uno a uno antes de cargarlos. Si la calidad de impresión se resiente al cargar una pila de sobres, cárguelos de uno en uno.
|
|
-
Coloque la palanca de ajuste en la posición
.
 |  |
Nota:
|
 |  | -
Después de imprimir sobres, vuelva a colocar la palanca de ajuste en la posición normal
. Para evitar fallos, coloque siempre la palanca de ajuste en la posición antes de imprimir en otros soportes.
|
|
 |  | -
Cuando la palanca de ajuste se encuentre en la posición
, compruebe que no está seleccionada la casilla de verificación Bidireccional del cuadro de diálogo Más opciones (en Windows) o la casilla Alta velocidad del cuadro de diálogo Más ajustes (en Macintosh). Para desactivar esta casilla de verificación, es posible que también deba cambiar el ajuste de Resolución.
|
|
-
No utilice sobres curvados o arrugados.
-
Alise las solapas de los sobres antes de cargarlos.
-
No use sobres demasiado finos, ya que pueden curvarse durante la impresión.
-
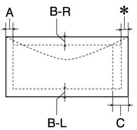
El área imprimible especificada a continuación es la recomendada para imprimir con tinta negra.
|
A:
|
El margen superior mínimo es de 3 mm (0,12 pulg.).
|
|
B-L:
|
El margen izquierdo mínimo es de 3 mm (0,12 pulg.).
|
|
B-R:
|
El margen derecho mínimo es de 3 mm (0,12 pulg.).
|
|
C:
|
El margen inferior mínimo es de 14 mm (0,78 pulg.).
|
|
:
|
Si desea ampliar el margen mínimo inferior a 3 mm, haga lo siguiente. En Windows: en el menú Composición del controlador de la impresora, seleccione la casilla de verificación Minimizar márgenes situada bajo Más opciones. En Macintosh: seleccione la opción Máximo de Área imprimible en el cuadro de diálogo Ajustar página. No obstante, la calidad de impresión puede disminuir en el área ampliada.
|
Carga de sobres
Consulte la sección correspondiente más abajo.

[Arriba]
Impresión en sobres
 |
Acceda al controlador de la impresora.
|
 |
Seleccione Papel normal como el ajuste de Tipo bajo Opciones del papel en el menú Principal (en Windows).
|
Seleccione Papel normal como el ajuste de Tipo papel en el cuadro de diálogo Imprimir (en Macintosh).
 |
Seleccione el tamaño de sobre adecuado entre los ajustes de Tamaño disponibles en el menú Principal (en Windows).
|
Seleccione el tamaño de sobre adecuado entre los ajustes disponibles de Tamaño papel en el cuadro de diálogo Ajustar página (en Macintosh).
 |
Seleccione Vertical como el ajuste de Orientación en el menú Principal (en Windows).
|
Seleccione Horizontal como el ajuste de Orientación en el cuadro de diálogo Ajustar página (en Macintosh).
 |
Haga clic en Aceptar o en OK para cerrar el cuadro de diálogo de configuración del controlador.
|
 |
Imprima sus datos.
|
El ajuste Económico situado bajo Opciones de papel y calidad, en el menú Más opciones (en Windows) o el modo Predefinido económico y el ajuste Económico situado bajo Resolución en el cuadro de diálogo Más ajustes (en Macintosh) no estarán disponibles para imprimir sobres.

[Arriba]