Enkele afdrukopties
Enveloppen laden
Op enveloppen afdrukken

Bij het afdrukken op enveloppen dient u rekening te houden met het volgende:
| Opmerking: |
|

|
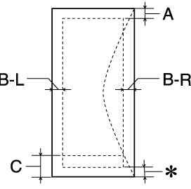
A: |
De bovenmarge is minimaal 3,0 mm (0,12"). |
|
B-L: |
De linkermarge is minimaal 3,0 mm (0,12"). |
|
B-R: |
De rechtermarge is minimaal 3,0 mm (0,12"). |
|
C: |
De ondermarge is minimaal 14 mm (0,78"). |
|
|
U kunt de minimale ondermarge verkleinen tot 3 mm door Maximum te selecteren bij Afdrukgebied op het tabblad Papier van de printersoftware (Windows) of in het dialoogvenster voor de pagina-instelling (Macintosh). De afdrukkwaliteit in het uitgebreide gebied kan echter slechter zijn. |
Raadpleeg het gedeelte hierna.
![]() | Enveloppen |
![]() | Open de printerdriver. |
![]() | De printersoftware voor Windows openen |
![]() | De printersoftware voor Macintosh openen |
![]() | Selecteer Gewoon papier bij Afdrukmateriaal op het tabblad Hoofdgroep (Windows) of in het afdrukvenster (Macintosh). |
![]() | Selecteer het gewenste envelopformaat uit de instellingen bij Papierformaat op het tabblad Papier (Windows) of in het dialoogvenster voor de pagina-instelling (Macintosh). |
![]() | Selecteer Liggend als Afdrukstand. |
![]() | Klik op OK om het venster te sluiten. |
![]() | Druk uw gegevens af. |
| Opmerking: |
|
|
![]() Vorige |