Varie opzioni di stampa
Caricamento di buste
Stampa di buste

Quando si stampa su buste, tenere presente le seguenti indicazioni:
| Nota: |
|

|
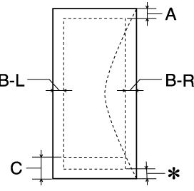
A: |
Il margine superiore minimo è 3 mm (0,12"). |
|
B-L: |
Il margine sinistro minimo è di 3 mm (0,12"). |
|
B-R: |
Il margine destro minimo è di 3 mm (0,12"). |
|
C: |
Il margine inferiore minimo è di 14 mm (0,78"). |
|
|
È possibile ridurre il margine inferiore minimo a 3 mm selezionando Massimo come impostazione di Area stampabile nel menu Carta del software della stampante (Windows) o nella finestra di dialogo Formato di stampa (Macintosh). Tuttavia, la qualità di stampa potrebbe ridursi nell'area estesa. |
Fare riferimento alla sezione riportata di seguito.
![]() | Buste |
![]() | Accedere al driver della stampante. |
![]() | Accesso al software della stampante per Windows |
![]() | Accesso al software della stampante per Macintosh |
![]() | Selezionare Carta comune come impostazione di Supporto nel menu Principale (Windows) o nella finestra di dialogo Stampa (Macintosh). |
![]() | Nel menu Carta (Windows) o nella finestra di dialogo Formato di stampa (Macintosh), selezionare il formato busta confacente, tra le impostazioni formato carta disponibili. |
![]() | Selezionare Orizzontale come impostazione di Orientamento |
![]() | Per chiudere la finestra di dialogo delle impostazioni del driver, fare clic su OK. |
![]() | Stampare i dati. |
| Nota: |
|
|
![]() Precedente |