Información sobre el producto / Especificaciones de la impresora
Especificaciones del papel
Área imprimible
| Nota: |
|
Hojas sueltas:
Tamaño |
A4 (210 x 297 mm) A5 (148 x 210 mm) Carta (215,9 x 279,4 mm) Media carta (139,7 x 215,9 mm) Legal (215,9 x 355,6 mm) Ejecutivo (184,2 x 266,7 mm) Definido por el usuario (de 89 a 241,3 x 89 a 1117,6 mm) |
Tipos de papel |
Papel normal de calidad, papel especial distribuido por EPSON |
Grosor |
Entre 0,08 y 0,11 mm (de 0,003 a 0,004 pulg.) |
Gramaje |
Entre 64 y 90 g/m2 (de 17 a 24 libras) |
Sobres:
Tamaño |
Núm. 10 (104,8 x 241,3 mm) DL (110 x 220 mm) C6 (114 x 162 mm) 132 x 220 mm |
Tipos de papel |
Papel normal de calidad, correo aéreo |
Grosor |
Entre 0,16 y 0,52 mm (de 0,006 a 0,02 pulg.) |
Gramaje |
Entre 45 y 75 g/m2 (de 12 a 20 libras) |
Tarjetas:
Tamaño |
A6 (105 x 148 mm) 5 x 8 pulg. (127 x 203,2 mm) 8 x 10 pulg. (203,2 x 254 mm) |
Tipos de papel |
Papeles especiales distribuidos por EPSON |
Transparencias, Glossy Film HQ:
Tamaño |
A4 (210 x 297 mm) A6 (105 x 148 mm) para glossy film |
Tipos de papel |
Papeles especiales distribuidos por EPSON |
Hojas autoadhesivas:
Tamaño |
A4 (210 x 297 mm) |
Tipos de papel |
Papeles especiales distribuidos por EPSON |
Photo Paper:
Tamaño |
A4 (210 x 297 mm) Panorama (210 x 594 mm) 4 x 6 pulg. (113,6 x 175,4 mm) 100 x 150 mm 200 x 300 mm |
Tipos de papel |
Papeles especiales distribuidos por EPSON |
Photo Stickers:
Tamaño |
A6 (105 x 148 mm) con 4 ó 16 marcos |
Tipos de papel |
Papeles especiales distribuidos por EPSON |
Matte Paper-Alto gramaje:
Tamaño |
A4 (210 x 297 mm) Carta (215,9 x 279,4 mm) |
Tipos de papel |
Papeles especiales distribuidos por EPSON |
| Nota: |
|
|
|
|
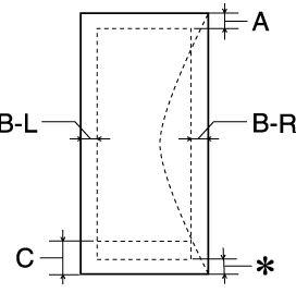
Hojas sueltas (tamaño panorámico incluido) y tarjetas

Sobres

|
A: |
El margen superior mínimo es de 3 mm (0,12 pulg.). Si se cargan varias hojas de Glossy Film HQ EPSON, el margen superior mínimo es de 30 mm (1,2 pulg.). |
|
B-L: |
El margen izquierdo mínimo es de 3 mm (0,12 pulg.). |
|
B-R: |
El margen derecho mínimo es de 3 mm (0,12 pulg.). |
|
C: |
El margen inferior mínimo es de 12,5 mm (0,49 pulg.). Si se imprime cerca del margen inferior mínimo, es posible que algunos colores no se impriman correctamente. Si esto le sucede, pruebe a aumentar el margen inferior. |
|
|
Si desea ampliar el margen mínimo inferior a 3 mm, seleccione Minimizar márgenes como ajuste de Área imprimible en el menú Composición del software de la impresora (en Windows) o en el cuadro de diálogo Ajustar página (en Macintosh). No obstante, la calidad de impresión puede disminuir en el área ampliada. Antes de imprimir trabajos de gran tamaño utilizando este ajuste, imprima una sola hoja para comprobar la calidad de la impresión. |
| Nota: |
|
![]() Anterior |
![]() Siguiente |