Andere Informationen / Druckerspezifikationen
Papierspezifikationen
Druckbereich
| Hinweis: |
|
Normalpapier:
Format |
A4 (210 mm x 297 mm) A5 (148 mm x 210 mm) B5 (182 mm x 257 mm) Letter (215,9 mm x 279,4 mm) Half Letter (139,7 mm x 215,9 mm) Legal (215,9 mm x 355,6 mm) Executive (184,2 mm x 266,7 mm) Benutzerdefiniert (89 bis 241,3 x 89 bis 1117,6 mm) |
Papiersorten |
Normalpapier, Epson-Spezialpapiere |
Stärke |
0.08 mm bis 0,11 mm (0,003 bis 0,004 Zoll) |
Gewicht |
64 g/m2 bis 90 g/m2 |
Briefumschläge:
Format |
Nr. 10 (104,8 mm x 241,3 mm) DL (110 mm x 220 mm) C6 (114 mm x 162 mm) |
Papiersorten |
Normalpapier, Luftpostpapier |
Stärke |
0.16 mm bis 0,52 mm (0,006 bis 0,02 Zoll) |
Gewicht |
45 g/m2 bis 75 g/m2 |
Photo Paper:
Format |
A4 (210 mm x 297 mm) Letter (215,9 mm x 279,4 mm) 4 x 6" (101,6 mm x 152,4 mm) 10 cm x 15 cm |
Papiersorten |
Spezielle Epson-Druckmedien |
Premium Glossy Photo Paper:
Format |
4 x 6" (101,6 mm x 152,4 mm) 10 cm x 15 cm |
Papiersorten |
Spezielle Epson-Druckmedien |
Photo-Aufkleber/-Etiketten:
Format |
A6 (105 mm x 148 mm) mit 4 oder 16 Rahmen |
Papiersorten |
Spezielle Epson-Druckmedien |
Matte Paper-Heavyweight:
Format |
A4 (210 mm x 297 mm) Letter (215,9 mm x 279,4 mm) 8 x 10" (203,2 mm x 254 mm) |
Papiersorten |
Spezielle Epson-Druckmedien |
Premium Ink Jet Plain Paper:
Format |
A4 (210 mm x 297 mm) |
Papiersorten |
Spezielle Epson-Druckmedien |
Bright White Ink Jet Paper:
Format |
A4 (210 mm x 297 mm) |
Papiersorten |
Spezielle Epson-Druckmedien |
Photo Quality Ink Jet Paper:
Format |
A4 (210 mm x 297 mm) Letter (215,9 mm x 279,4 mm) Legal (215,9 mm x 355,6 mm) |
Papiersorten |
Spezielle Epson-Druckmedien |
Photo Quality Ink Jet Cards:
Format |
8 x 10" (203,2 mm x 254 mm) 5 x 8" (127 mm x 203,2 mm) A6 (105 mm x 148 mm) |
Papiersorten |
Spezielle Epson-Druckmedien |
Photo Quality Self Adhesive Sheets:
Format |
A4 (210 mm x 297 mm) |
Papiersorten |
Spezielle Epson-Druckmedien |
Ink Jet Transparencies:
Format |
A4 (210 mm x 297 mm) Letter (215,9 mm x 279,4 mm) |
Papiersorten |
Spezielle Epson-Druckmedien |
Iron-On Cool Peel Transfer Paper:
Format |
A4 (210 mm x 297 mm) Letter (215,9 mm x 279,4 mm) |
Papiersorten |
Spezielle Epson-Druckmedien |
Double-Sided Matte Paper:
Format |
A4 (210 mm x 297 mm) Letter (215,9 mm x 279,4 mm) |
Papiersorten |
Spezielle Epson-Druckmedien |
Economy Photo Paper:
Format |
A4 (210 mm x 297 mm) |
Papiersorten |
Spezielle Epson-Druckmedien |
Glossy Photo Paper:
Format |
Letter (215,9 mm x 279,4 mm) 4 x 6" (101,6 mm x 152,4 mm) |
Papiersorten |
Spezielle Epson-Druckmedien |
| Hinweis: |
|
|
|
|
Normalpapier (einschließlich Panoramaformat) und Karteikarten

Briefumschläge

|
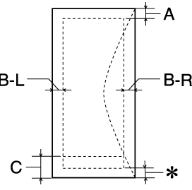
A: |
Der minimale obere Rand beträgt 3 mm. |
|
B-L: |
Der minimale linke Rand beträgt 3 mm. |
|
B-R: |
Der minimale rechte Rand beträgt 3 mm. |
|
C: |
Der Mindestrand unten beträgt 12,5 mm. Wenn Sie in der Nähe des minimalen unteren Randes drucken, kann es sein, dass einige Farben nicht korrekt gedruckt werden. Falls dies geschieht, versuchen Sie es mit einer Vergrößerung des unteren Randes. |
|
|
Sie können den unteren minimalen Rand auf 3 mm erweitern, indem Sie in der Druckersoftware im Menü Seitenlayout die Option Ränder minimieren als Druckbarer Bereich wählen. Im erweiterten Druckbereich kann die Druckqualität jedoch abnehmen. Ehe Sie große Druckaufträge mit dieser Einstellung ausführen, vergewissern Sie sich anhand eines Probeausdrucks, ob die Druckqualität zufrieden stellend ist. |
| Hinweis: |
|
![]() Vorheriges |
![]() Nächstes |