Produktinformationen / Druckerspezifikationen
Papierspezifikationen
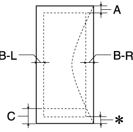
Druckbereich
| Hinweis: |
|
Normalpapier:
Format |
A4 (210 mm x 297 mm) A5 (148 mm x 210 mm) Letter (215,9 mm x 279,4 mm) Half Letter (139,7 mm x 215,9 mm) Legal (215,9 mm x 355,6 mm) Executive (184,2 mm x 266,7 mm) Benutzerdefiniert (89 bis 241,3 x 89 bis 1117,6 mm) |
Papiersorten |
Normalpapier, EPSON-Spezialpapiere |
Stärke |
0,08 mm bis 0,11 mm (0,003 bis 0,004 Zoll) |
Gewicht |
64 g/m2 bis 90 g/m2 |
Briefumschläge:
Format |
Nr. 10 (104,8 mm x 241,3 mm) DL (110 mm x 220 mm) C6 (114 mm x 162 mm) 132 mm x 220 mm |
Papiersorten |
Normalpapier, Luftpostpapier |
Stärke |
0,16 mm bis 0,52 mm (0,006 bis 0,02 Zoll) |
Gewicht |
45 g/m2 bis 75 g/m2 |
Karteikarten (Index Cards):
Format |
A6 (105 mm x 148 mm) 5 x 8" (127 mm x 203,2 mm) 8 x 10" (203,2 mm x 254 mm) |
Papiersorten |
EPSON-Spezialpapiere |
Transparencies, Photo Quality Glossy Film:
Format |
A4 (210 mm x 297 mm) Letter (215,9 mm x 279,4 mm) A6 (105 mm x 148 mm) für Glossy Film |
Papiersorten |
EPSON-Spezialpapiere |
Selbst klebende Blätter:
Format |
A4 (210 mm x 297 mm) |
Papiersorten |
EPSON-Spezialpapiere |
Photo Paper:
Format |
A4 (210 mm x 297 mm) Letter (215,9 mm x 279,4 mm) Panorama (210 mm x 594 mm) 4 x 6 Zoll (113,6 mm x 175,4 mm) 100 mm x 150 mm 200 mm x 300 mm |
Papiersorten |
EPSON-Spezialpapiere |
Photo-Aufkleber/-Etiketten:
Format |
A6 (105 mm x 148 mm) mit 4 oder 16 Rahmen |
Papiersorten |
EPSON-Spezialpapiere |
Matte Paper-Heavyweight:
Format |
A4 (210 mm x 297 mm) Letter (215,9 mm x 279,4 mm) |
Papiersorten |
EPSON-Spezialpapiere |
| Hinweis: |
|
|
|
|
Normalpapier (einschließlich Panoramaformat) und Karteikarten

Briefumschläge

|
A: |
Der minimale obere Rand beträgt 3 mm. Wenn mehrere Blätter EPSON Photo Quality Glossy Film eingelegt werden, muss oben ein Rand von mindestens 30 mm eingehalten werden. |
|
B-L: |
Der minimale linke Rand beträgt 3 mm. |
|
B-R: |
Der minimale rechte Rand beträgt 3 mm. |
|
C: |
Der Mindestrand unten beträgt 12,5 mm. Wenn Sie in der Nähe des minimalen unteren Randes drucken, kann es sein, dass einige Farben nicht korrekt gedruckt werden. Falls dies geschieht, versuchen Sie es mit einer Vergrößerung des unteren Randes. |
|
|
Sie können den unteren minimalen Rand auf 3 mm erweitern, indem Sie in der Druckersoftware unter Windows auf der Registerkarte Layout bzw. für Macintosh im Dialogfeld Papierformat die Option Ränder minimieren als Druckbarer Bereich wählen. Im erweiterten Druckbereich kann die Druckqualität jedoch abnehmen. Ehe Sie große Druckaufträge mit dieser Einstellung ausführen, vergewissern Sie sich anhand eines Probeausdrucks, ob die Druckqualität zufrieden stellend ist. |
| Hinweis: |
|
![]() Vorheriges |
![]() Nächstes |