 |
Tekniska specifikationer
Skrivarspecifikationer
|
Pappersbana
|
Arkmatare, inmatning uppifrån
|
|
Kapacitet
|
Ca. 80 ark 90 g/m² (24 lb) *
|
* Fyll på ett ark i taget för storlekarna Legal och User Defined (Användardefinierad).
Papper
 Anmärkning:
Eftersom kvaliteten på olika papper när som helst kan ändras av tillverkaren kan Epson inte garantera kvaliteten för något märke eller någon typ av papper som inte kommer från Epson. Testa alltid ett nytt pappersprov innan du köper stora mängder eller skriver ut stora jobb.
Dålig papperskvalitet kan försämra utskriftskvaliteten och orsaka pappersstopp eller andra problem. Om du råkar ut för sådana problem bör du byta till ett bättre papper.
Använd papper under normala förhållanden: Temperatur 10 till 35 ˚C (50 till 95 ˚F) Relativ luftfuktighet 20 till 80%
|
Enstaka ark:
|
Storlek
|
A4 210 × 297 mm
10 × 15 cm (4 × 6 in.)
13 × 18 cm (5 × 7 in.)
A6 105 × 148 mm
A5 148 × 210 mm
B5 182 × 257 mm
9 × 13 cm (3,5 × 5 in.)
13 × 20 cm (5 × 8 in.)
20 × 25 cm (8 × 10 in.)
16:9 brett format (102 × 181 mm)
Letter 8 1/2 × 11 in.
Legal 8 1/2 × 14 in.
|
|
Papperstyper
|
Vanligt papper eller specialpapper som distribueras av Epson
|
|
Tjocklek (för vanligt papper)
|
0,08 till 0,11 mm (0,003 till 0,004 in.)
|
|
Vikt (för vanligt papper)
|
64 g/m² (17 lb) till 90 g/m² (24 lb)
|
Kuvert:
|
Storlek
|
Kuvert #10 4 1/8 × 9 1/2 in.
Kuvert DL 110 × 220 mm
Kuvert C6 114 × 162 mm
|
|
Papperstyper
|
Vanligt papper
|
|
Vikt
|
75 g/m² (20 lb) till 90 g/m² (24 lb)
|
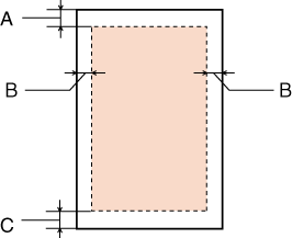
Utskriftsområde
Markerade delar visar utskriftsområde.
Enstaka ark och indexkort:
Kuvert:
|
|
Minsta marginal vid normal utskrift
|
|
Medietyp
|
Enstaka ark och indexkort
|
Kuvert
|
|
A
|
3,0 mm (0,12 in.)
|
3,0 mm (0,12 in.)
|
|
B-L, B-R
|
3,0 mm (0,12 in.)
|
5,0 mm (0,20 in.)
|
|
C
|
3,0 mm (0,12 in.)
|
20 mm (0,78 in.)
|
 Anmärkning:
|
Beroende på papperstypen kan utskriftskvaliteten försämras i utskriftens övre och nedre områden, eller så kan bläcket i dessa områden smetas ut.
|
Skannerspecifikationer
 Anmärkning:
|
Specifikationerna kan ändras utan förvarning.
|
|
Skannertyp
|
Flatbädd, färg
|
|
Fotoelektrisk komponent
|
CIS
|
|
Effektiva pixlar
|
5100 × 14.040 pixlar vid 1200 dpi
|
|
Dokumentformat
|
216 × 297 mm A4 eller US letter×
|
|
Skanningsupplösning
|
50 till 4 800, 7 200 och 9 600 dpi (50 till 4 800 dpi i steg om 1 dpi)
|
|
Utgående upplösning
|
600 dpi (huvudskanning) 1200 dpi (underordnad skanning)
|
|
Bilddata
|
16 bitar per pixel per färg internt 8 bitar per pixel per färg externt (maximalt)
|
|
Gränssnitt
|
En USB-port
|
|
Ljuskälla
|
RGB LED med tre färger
|
Mekanisk
|
Mått
|
Bredd: 434 mm (17,0 tum) Djup: 326,5 mm (12,6 tum) Höjd: 185,2 mm (7,3 tum)
|
|
Vikt
* Utan bläckpatroner
|
Ca. 4,45 kg (9,8 lb)
|
Elektricitet
 Anmärkning:
|
Spänningsinformation finns på etiketten på skrivarens baksida.
|
|
|
100-127 V modell
|
220-240 V modell
|
|
Inspänning
|
AC 90 till 132 V
|
AC 198 till 264 V
|
|
Mätfrekvens
|
50 till 60 Hz
|
|
Märkström
|
0,6 A (Max 0,7 A)
|
0,3 A (Max 0,4 A)
|
|
Strömförbrukning
|
Ca. 11,7 W (Max 22,1 W) Fristående kopiering
Ca. 3,8 W (Viloläge)
Ca. 1,0 W (Max) (Avslaget läge)
|
Ca. 11,5 W (Max 22,4 W) Fristående kopiering
Ca. 3,8 W (Viloläge)
Ca. 1,0 W (Max) (Avslaget läge)
|
Omgivning
|
Temperatur
|
Under drift
|
10 till 35 ˚C (50 till 95 ˚F)
|
|
Förvaring
|
-20 till 60 ˚C (-4 till 140 ˚F) 1 månad vid 40 ˚C (104 ˚F) 120 timmar vid 60 ˚C (140 ˚F)
|
|
Luftfuktighet
|
Under drift
|
20 till 80%, utan kondensation
|
|
Förvaring
|
5 till 85%, utan kondensation
|
|
Driftsförhållanden
|
Vanlig kontors- eller hemmamiljö. Undvik att använda skannern i direkt solljus, nära en stark ljuskälla eller i extremt dammiga miljöer.
|
Gränssnitt
USB-gränssnitt
|
USB 1.1 Full-Speed (för PictBridge-kompatibla enheter/masslagringsklass för extern lagring)
|
Standarder och godkännanden
USA-modellen:
|
Säkerhet
|
UL60950-1 CAN/CSA-C22.2 nr. 60950-1
|
|
EMC
|
FCC Part 15 Subpart B Class B CAN/CSA- CEI/IEC CISPR 22 Class B
|
Europa-modellen:
|
Lågspänningsdirektiv 2006/95/EC
|
EN 60950-1
|
|
EMC-direktiv 2004/108/EC
|
EN 55022 (CISPR Pub.22) Class B EN 55024 EN 61000-3-2 EN 61000-3-3
|
Australien-modellen:
|
EMC
|
AS/NZS CISPR 22 Class B
|
|  |