 |
Tehnični podatki
Specifikacije tiskalnika
|
Pot papirja
|
Podajalnik listov, vhod z vrha
|
|
Kapaciteta
|
Okrog 80 listov papirja teže 90 g/m² (24 lb)
|
* Za običajne velikosti in User Defined (Posebej nastavljene) velikosti, vlagajte en list za drugim.
Papir
 Opomba:
Ker lahko proizvajalec določene znamke ali vrste papirja kadar koli spremeni kakovost papirja, Epson ne more potrditi kakovosti katere koli druge znamke ali vrste papirja, razen Epsonovih. Pred nakupom večje količine papirja ali pred tiskanjem večjih poslov vedno preizkusite vzorec papirja.
Slaba kakovost papirja lahko zmanjša kakovost izpisa in povzroči zastoj papirja ali druge težave. Če naletite na težave, zamenjajte papir s kakovostnejšim.
Papir uporabljajte pri normalnih pogojih: Temperatura 10 do 35 ˚C (50 do 95 ˚F) Vlažnost 20 do 80% RH
|
Posamezni listi:
|
Velikost
|
A4 210 × 297 mm
10 ×15 cm (4×6 palcev)
13 ×18 cm (5×7 palcev)
A6 105 × 148 mm
A5 148 × 210 mm
B5 182 × 257 mm
9 ×13 cm (3,5×5 palcev)
13 ×20 cm (5×8 palcev)
20 ×25 cm (8×10 palcev)
16:9 širina (102×181 mm)
Letter 8 1/2 × 11 palcev
Legal 8 1/2 × 14 palcev
|
|
Vrste papirja
|
Navaden pisemski papir ali poseben papir, ki ga distribuira Epson
|
|
Debelina (za navaden pisemski papir)
|
0,08 do 0,11 mm (0,003 do 0,004 palca)
|
|
Teža (za navaden pisemski papir)
|
64 g/m² (17 lb) do 90 g/m² (24 lb)
|
Ovojnice:
|
Velikost
|
Ovojnica #10 4 1/8 × 9 1/2 palca
Ovojnica DL 110 × 220 mm
Ovojnica C6 114 × 162 mm
|
|
Vrste papirja
|
Navaden pisemski papir
|
|
Teža
|
75 g/m² (20 lb) do 90 g/m² (24 lb)
|
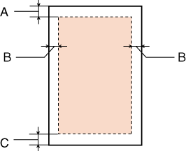
Področje tiskanja
Poudarjeni deli kažejo področje tiskanja.
Posamezni listi in kartotečne kartice:
Kuverte:
|
|
Najmanjši rob pri normalnem tiskanju
|
|
Vrsta medija
|
Posamezni listi in kartotečne kartice
|
Ovojnice
|
|
A
|
3,0 mm (0,12 palcev)
|
3,0 mm (0,12 palcev)
|
|
B-L, B-R
|
3,0 mm (0,12 palcev)
|
5,0 mm (0,20 palcev)
|
|
C
|
3,0 mm (0,12 palcev)
|
20 mm (0,78 palcev)
|
 Opomba:
|
Odvisno od vrste papirja je lahko kakovost tiskanja slabša v zgornjih in spodnjih delih izpisa, ali pa je območje razmazano.
|
Specifikacije optičnega bralnika
 Opomba:
|
Specifikacije se lahko spremenijo brez obvestila.
|
|
Vrsta optičnega bralnika
|
Ploski barvni optični bralnik
|
|
Fotoelektrična naprava
|
CIS
|
|
Učinkovite slikovne pike
|
5,100 × 14.040 slikovnih pik pri 1.200 dpi
|
|
Velikost dokumenta
|
216 × 297 mm (8,5 × 11,7 palcev) A4 ali US letter size
|
|
Ločljivost optičnega branja
|
50 do 4800, 7200 in 9600 dpi (50 do 4800 dpi v korakih po 1 dpi)
|
|
Izhodna ločljivost
|
600 dpi (glavno optično branje) 1200 dpi (drugo optično branje)
|
|
Slikovni podatki
|
16 bitov na slikovno piko na notranjo barvo 8 bitov na slikovno piko na zunanjo barvo (največ)
|
|
Vmesnik
|
En priključek USB
|
|
Vir svetlobe
|
RGB trobarvna LED
|
Mehanski
|
Mere
|
Širina: 434 mm (17,0 palcev) Globina: 326,5 mm (12,6 palcev) Višina: 185,2 mm (7,3 palcev)
|
|
Teža
* brez kartuš s črnilom
|
Pribl. 4,45 kg (9,8 lb)
|
Električne specifikacije
 Opomba:
|
Za napetost preverite oznako na zadnji strani optičnega čitalnika.
|
|
|
Model 100-127 V
|
Model 220-240 V
|
|
Vhodna napetost
|
90-132 V AC
|
198-264 V AC
|
|
Nominalna frekvenca
|
50 do 60 Hz
|
|
Nominalna napetost
|
0,6 A (maks. 0,7 A)
|
0,3 A (maks. 0,4 A)
|
|
Poraba električne energije
|
Pribl. 11,7 W (maks. 22,1 W) (Samostojno kopiranje)
Pribl. 3,8 W (Stanje mirovanja)
Pribl. 1,0 W (maks.) (Izklopljen)
|
Pribl. 11,5 W (maks. 22,4 W) (Samostojno kopiranje)
Pribl. 3,8 W (Stanje mirovanja)
Pribl. 1,0 W (maks.) (Izklopljen)
|
Okoljske specifikacije
|
Temperatura
|
Delovanje
|
10 do 35 ˚C (50 do 95 ˚F)
|
|
Shranjevanje
|
-20 do 60 ˚C (-4 do 140 ˚F) 1 mesec pri 40 ˚C (104 ˚F) 120 ur pri 60 ˚C (140 ˚F)
|
|
Vlažnost
|
Delovanje
|
20 do 80 %, brez kondenzacije
|
|
Shranjevanje
|
5 do 85 %, brez kondenzacije
|
|
Delovni pogoji
|
Običajna pisarna ali dom. Optičnega tiskalnika ne uporabljajte neposredno na soncu, v bližini vira močne svetlobe ali v izredno prašnih prostorih.
|
Vmesniki
Vmesnik USB
|
USB 1.1 Full-Speed (za naprave, združljive s standardoma PictBridge in MSC za zunanje shranjevanje)
|
Standardi in odobritve
Model za ZDA:
|
Varnost
|
UL60950-1 CAN/CSA-C22.2 Št. 60950-1
|
|
EMC
|
FCC Del 15 Poddel B Razreda B CAN/CSA-CEI/IEC CISPR 22 Razred B
|
Evropski model:
|
Direktiva o nizki napetosti 2006/95/ES
|
EN 60950-1
|
|
Direktiva o elektromagnetni združljivosti 2004/108/ES
|
EN 55022 (CISPR Pub.22) Razred B EN 55024 EN 61000-3-2 EN 61000-3-3
|
Avstralski model:
|
EMC
|
AS/NZS CISPR 22 Razred B
|
|  |