 |
Технические характеристики
Характеристики устройства
|
Подача бумаги
|
Податчик бумаги, загрузка сверху
|
|
Емкость
|
До 80 листов бумаги плотностью 90 г/м²*
|
* Бумагу Legal и специального пользовательского формата (User Defined) загружайте по одному листу за раз.
Бумага
 Примечание
Поскольку качество каждого типа бумаги может быть изменено производителем без предварительного уведомления, Epson не гарантирует удовлетворительного качества бумаги, произведенной не Epson. Поэтому перед покупкой большого количества бумаги или перед выполнением больших объемов печатных работ, всегда проводите тестирование образцов этой бумаги.
Бумага плохого качества может ухудшить качество печати, замяться и вызвать другие проблемы. Если возникли проблемы с качеством печати, воспользуйтесь бумагой более высокого качества.
Работайте с бумагой при следующих условиях. Температура от 10 до 35˚ C Относительная влажность: от 20 до 80%
|
Отдельные листы:
|
Размер
|
A4 210 × 297 мм
10 ×15 см (4×6 дюймов)
13 ×18 см (5×7 дюймов)
A6 105 × 148 мм
A5 148 × 210 мм
B5 182 × 257 мм
9 ×13 см (3,5×5 дюймов)
13 ×20 см (5×8 дюймов)
20 ×25 см (8×10 дюймов)
16:9 wide size (102 × 181 мм)
Letter 8 1/2 × 11 дюймов
Legal 8 1/2 × 14 дюймов
|
|
Типы бумаги
|
Простая высокосортная бумага или специальная бумага, распространяемая Epson
|
|
Толщина (для простой высокосортной бумаги)
|
от 0,08 до 0,11 мм
|
|
Вес (для простой высокосортной бумаги)
|
от 64 г/м² до 90 г/м²
|
Конверты:
|
Размер
|
Конверт #10 4 1/8 × 9 1/2 дюйма
Конверт DL 110 × 220 мм
Конверт C6 114 × 162 мм
|
|
Типы бумаги
|
Простая высокосортная бумага
|
|
Вес
|
от 75 г/м² до 90 г/м²
|
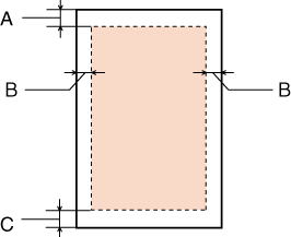
Область печати
Область печати выделена цветом.
Отдельные листы и учетные карточки:
Конверты:
|
|
Минимальная ширина полей при обычной печати
|
|
Тип носителя
|
Отдельные листы и учетные карточки
|
Конверты
|
|
A
|
3,0 мм
|
3,0 мм
|
|
B-L, B-R
|
3,0 мм
|
5,0 мм
|
|
C
|
3,0 мм
|
20 мм
|
 Примечание
|
В зависимости от типа используемого носителя качество печати может ухудшиться в верхней или в нижней части отпечатка, или эти области могут смазаться.
|
Характеристики сканера
 Примечание
|
Характеристики могут быть изменены без предварительного уведомления.
|
|
Тип сканера
|
Планшетный, цветной
|
|
Фотоэлектрическое устройство
|
CIS
|
|
Эффективных пикселов
|
5,100 × 14,040 пикселов при разрешении 1200 dpi
|
|
Размер документа
|
216 × 297 мм A4 или US letter
|
|
Разрешение сканирования
|
50—4800, 7200 и 9600 dpi (50—4800 dpi с шагом 1 dpi)
|
|
Выходное разрешение
|
600 dpi (обычное сканирование) 1200 dpi (детальное сканирование)
|
|
Представление цвета
|
16 бит/пиксел для каждого базового цвета (внутреннее) 8 бит/пиксел для каждого базового цвета (внешнее)
|
|
Интерфейс
|
Один разъем USB
|
|
Источник света
|
Трехцветный световой поток RGB
|
Механические характеристики
|
Размеры
|
Ширина: 434 мм Глубина: 326,5 мм Высота: 185,2 мм
|
|
Вес
* Без чернильных картриджей
|
Приблизительно 4,45 кг
|
Электрические характеристики
 Примечание
|
Уточните данные о напряжении, прочитав наклейку на тыльной стороне сканера.
|
|
|
Модель на 100—127 В
|
Модель на 220—240 В
|
|
Входное напряжение
|
90—132 В перем. тока
|
198—264 В перем. тока
|
|
Номинальная частота
|
50—60 Гц
|
|
Номинальный ток
|
0,6 А (макс. 0,7 А)
|
0,3 А (макс. 0,4 А)
|
|
Потребляемая мощность
|
Приблизительно 11,7 Вт (макс. 22,1 Вт) (Копирование без использования компьютера)
Прибл. 3,8 Вт (Спящий режим)
Приблизительно 1,0 Вт (макс.) (Выключенный режим)
|
Приблизительно 11,5 Вт (макс. 22,4 Вт) (Копирование без использования компьютера)
Прибл. 3,8 Вт (Спящий режим)
Приблизительно 1,0 Вт (макс.) (Выключенный режим)
|
Условия окружающей среды
|
Температура
|
Работа
|
от 10 до 35˚ C
|
|
Хранение
|
от -20 до 60˚ C 1 месяц при 40˚ C 120 часов при 60˚ C
|
|
Влажность
|
Работа
|
от 20 до 80%, без конденсации
|
|
Хранение
|
от 5 до 85%, без конденсации
|
|
Условия для работы
|
Предназначен для работы в домашних и офисных условиях. Старайтесь не использовать сканер под прямыми лучами солнца, вблизи источника сильного света или в очень пыльных помещениях.
|
Интерфейсы
Интерфейс USB
|
USB 1.1, полноскоростной (для устройств, совместимых с PictBridge/Mass storage class для внешних устройств хранения данных)
|
Соответствие стандартам и допускам
Модель для США:
|
Безопасность
|
UL60950-1 CAN/CSA-C22.2 № 60950-1
|
|
Электромагнитная совместимость
|
FCC Part 15 Subpart B Class B CAN/CSA- CEI/IEC CISPR 22 класс B
|
Модель для Европы
|
Директива о низком напряжении 2006/95/EC
|
EN 60950-1
|
|
Директива об электромагнитной совместимости 2004/108/EC
|
EN 55022 (CISPR Pub.22) класс B EN 55024 EN 61000-3-2 EN 61000-3-3
|
Модель для Австралии:
|
Электромагнитная совместимость
|
AS/NZS CISPR 22 класс B
|
|  |