 |
Características Técnicas
Especificações da impressora
|
Trajectória de alimentação
|
Alimentador, entrada superior
|
|
Capacidade
|
Cerca de 80 folhas de papel de 90 g/m² (24 lb) *
|
* No caso dos formatos Legal e User Defined (Definido pelo Utilizador), coloque uma folha de cada vez.
Papel
 Nota:
Dado que as características do papel estão sujeitas a constantes mudanças por parte dos fabricantes, a Epson não pode garantir a qualidade de nenhuma marca ou tipo de papel que não seja da marca Epson. Efectue sempre um teste antes de adquirir papel em grandes quantidades ou de imprimir trabalhos extensos.
A utilização de papel de fraca qualidade pode reduzir a qualidade de impressão e provocar encravamentos de papel ou outros problemas. Se tiver problemas, mude para um papel de melhor qualidade.
Utilize papel em condições normais: Temperatura: 10 a 35 ˚C (50 a 95 ˚F) Humidade relativa: 20 a 80%
|
Folhas soltas:
|
Formato
|
A4 210 × 297 mm
10 × 15 cm (4 × 6")
13 × 18 cm (5 × 7")
A6 105 × 148 mm
A5 148 × 210 mm
B5 182 × 257 mm
9 × 13 cm (3,5 × 5")
13 × 20 cm (5 × 8")
20 × 25 cm (8 × 10")
Grande formato 16:9 (102 × 181 mm)
Letter 8 1/2 × 11"
Legal 8 1/2 × 14"
|
|
Tipos de papel
|
Papel normal ou papel especial distribuído pela Epson
|
|
Espessura (para papel normal)
|
0,08 a 0,11 mm (0,003 a 0,004")
|
|
Gramagem (para papel normal)
|
64 g/m² (17 lb) a 90 g/m² (24 lb)
|
Envelopes:
|
Formato
|
Envelope #10 4 1/8 × 9 1/2"
Envelope DL 110 × 220 mm
Envelope C6 114 × 162 mm
|
|
Tipos de papel
|
Papel normal
|
|
Gramagem
|
75 g/m² (20 lb) a 90 g/m² (24 lb)
|
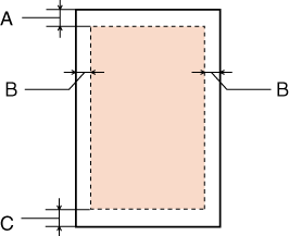
Área de impressão
As partes destacadas representam a área de impressão.
Folhas soltas e cartões de índice:
Envelopes:
|
|
Margem mínima em impressão normal
|
|
Tipo de papel
|
Folhas soltas e cartões de índice
|
Envelopes
|
|
A
|
3,0 mm (0,12")
|
3,0 mm (0,12")
|
|
B-L, B-R
|
3,0 mm (0,12")
|
5,0 mm (0,20")
|
|
C
|
3,0 mm (0,12")
|
20 mm (0,78")
|
 Nota:
|
Consoante o tipo de papel, a qualidade de impressão das áreas superior e inferior poderá diminuir ou a área ficar esborratada.
|
Especificações do digitalizador
 Nota:
|
As especificações estão sujeitas a alteração sem aviso prévio.
|
|
Tipo de digitalizador
|
Digitalizador de mesa a cores
|
|
Dispositivo fotoeléctrico
|
CIS
|
|
Pixéis efectivos
|
5100 × 14.040 pixéis a 1200 ppp
|
|
Formato do documento
|
216 × 297 mm (8,5 × 11,7") Formato A4 ou Letter (E.U.A.)
|
|
Resolução de digitalização
|
50 a 4800, 7200 e 9600 ppp (50 a 4800 ppp em incrementos de 1 ppp)
|
|
Resolução de saída
|
600 ppp (digitalização principal) 1200 ppp (subdigitalização)
|
|
Dados de imagem
|
Internos: 16 bits / pixel / cor Externos: 8 bits / pixel / cor (máximo)
|
|
Interface
|
Uma porta USB
|
|
Fonte de luz
|
Indicador luminoso de três cores RGB
|
Características mecânicas
|
Dimensões
|
Largura: 434 mm (17,0") Profundidade: 326,5 mm (12,6") Altura: 185,2 mm (7,3")
|
|
Peso
* Sem os tinteiros
|
Aprox. 4,45 kg (9,8 lb)
|
Características eléctricas
 Nota:
|
Verifique a etiqueta na parte de trás do digitalizador para saber qual a voltagem.
|
|
|
Modelo de 100-127 V
|
Modelo de 220-240 V
|
|
Voltagem de entrada
|
90 a 132 V CA
|
198 a 264 V CA
|
|
Frequência
|
50 a 60 Hz
|
|
Corrente
|
0,6 A (Máx. 0,7 A)
|
0,3 A (Máx. 0,4 A)
|
|
Consumo
|
Aprox. 11,7 W (Máx. 22,1 W) (Cópia autónoma)
Aprox. 3,8 W (Modo de repouso)
Aprox. 1,0 W (Máx.) (Modo desligado)
|
Aprox. 11,5 W (Máx. 22,4 W) (Cópia autónoma)
Aprox. 3,8 W (Modo de repouso)
Aprox. 1,0 W (Máx.) (Modo desligado)
|
Condições ambientais
|
Temperatura
|
Funcionamento
|
10 a 35 ˚C (50 a 95 ˚F)
|
|
Conservação
|
-20 a 60 ˚C (-4 a 140 ˚F) 1 mês a 40 ˚C (104 ˚F) 120 horas a 60 ˚C (140 ˚F)
|
|
Humidade relativa
|
Funcionamento
|
20 a 80%, sem condensação
|
|
Conservação
|
5 a 85%, sem condensação
|
|
Condições de funcionamento
|
Condições de um escritório ou de uma casa comuns. Evite expor o digitalizador à luz solar directa e afaste-o de fontes de luz intensas ou de ambientes com muito pó.
|
Interfaces
Interface USB
|
USB 1.1 Full-Speed (para dispositivos compatíveis com PictBridge/classe de armazenamento de massa para armazenamento externo)
|
Normas e Certificações
Modelo dos E.U.A.:
|
Segurança
|
UL60950-1 CAN/CSA-C22.2 Nº. 60950-1
|
|
Compatibilidade electromagnética
|
FCC Secção 15, Subsecção B, Classe B CAN/CSA- CEI/IEC CISPR 22, Classe B
|
Modelo europeu:
|
Directiva de Baixa Tensão 2006/95/CE
|
EN 60950-1
|
|
Directiva 2004/108/CE relativa à compatibilidade electromagnética (EMC)
|
EN 55022 (CISPR Pub. 22), Classe B EN 55024 EN 61000-3-2 EN 61000-3-3
|
Modelo australiano:
|
Compatibilidade electromagnética
|
AS/NZS CISPR 22, Classe B
|
|  |