 |
Tekniske spesifikasjoner
Skriverspesifikasjoner
|
Papirbane
|
Arkmater, legges inn øverst
|
|
Kapasitet
|
Omtrent 80 ark på 90 g/m² papir *
|
* For størrelsene Legal og User Defined (Brukerdefinert) legger du i ett ark om gangen.
Papir
 Merknad:
Siden kvaliteten på et bestemt papirmerke eller en papirtype når som helst kan endres av produsenten, kan ikke Epson gå god for kvaliteten til papirtyper som ikke er produsert av Epson. Du bør alltid teste ut prøver av en papirtype før du kjøper store mengder eller skriver ut store jobber.
Papir av dårlig kvalitet kan føre til at utskriftskvaliteten blir dårligere, og forårsake papirstopp eller andre problemer. Bytt til papir av høyere kvalitet hvis det oppstår problemer.
Papiret må brukes under normale forhold: Temperatur: 10 til 35 ˚C Luftfuktighet: 20 til 80 % relativ fuktighet
|
Enkeltark:
|
Størrelse
|
A4 210 × 297 mm
10 × 15 cm
13 × 18 cm
A6 105 × 148 mm
A5 148 × 210 mm
B5 182 × 257 mm
9 × 13 cm
13 × 20 cm
20 × 25 cm
16:9 bredformat (102 × 181 mm)
Letter 8 1/2 × 11 tommer
Legal 8 1/2 × 14 tommer
|
|
Papirtyper
|
Vanlig papir eller spesialpapir som distribueres av Epson
|
|
Tykkelse (for vanlig papir)
|
0,08 to 0,11 mm
|
|
Vekt (for vanlig papir)
|
64 g/m² til 90 g/m²
|
Konvolutter:
|
Størrelse
|
Envelope #10 4 1/8 × 9 1/2 tommer
Envelope DL 110 × 220 mm
Envelope C6 114 × 162 mm
|
|
Papirtyper
|
Vanlig papir
|
|
Vekt
|
75 g/m² til 90 g/m²
|
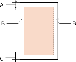
Utskrivbart område
Merket del viser utskrivbart område.
Enkeltark og indekskort:
Konvolutter:
|
|
Minimumsmarg ved normal utskrift
|
|
Medietype
|
Enkeltark og indekskort
|
Konvolutter
|
|
A
|
3,0 mm
|
3,0 mm
|
|
B-L, B-R
|
3,0 mm
|
5,0 mm
|
|
C
|
3,0 mm
|
20 mm
|
 Merknad:
|
Avhengig av papirtypen, kan utskriftskvaliteten bli dårligere øverst og nederst på utskriften, eller det kan dannes flekker i disse områdene.
|
Skannerspesifikasjoner
 Merknad:
|
Spesifikasjonene kan endres uten forutgående varsel.
|
|
Skannertype
|
Planfarger
|
|
Fotoelektrisk enhet
|
CIS
|
|
Effektive piksler
|
5100 × 14 040 piksler ved 1200 dpi
|
|
Dokumentstørrelse
|
216 × 297 mm A4 eller US letter-størrelse
|
|
Skanningsoppløsning
|
50 til 4800, 7200, og 9600 dpi (50 til 4800 dpi i intervaller på 1 dpi)
|
|
Utgangsoppløsning
|
600 dpi (hovedskanner) 1200 dpi (sub-skanner)
|
|
Bildedata
|
16 bits per piksel per intern farge 8 bits per piksel per ekstern farge (maksimum)
|
|
Grensesnitt
|
Én USB-port
|
|
Lyskilde
|
RGB trefargers-LED
|
Mekanisk
|
Mål
|
Bredde: 434 mm Dybde: 326,5 mm Høyde: 185,2 mm
|
|
Vekt
* Uten blekkpatroner
|
Omtrent 4,45 kg
|
Elektrisk
 Merknad:
|
Kontroller etiketten på baksiden av skanneren for informasjon om spenning.
|
|
|
100-127 V-modell
|
220-240 V-modell
|
|
Inngangsspenning
|
AC 90 til 132 V
|
AC 198 til 264 V
|
|
Nominell frekvens
|
50 til 60 Hz
|
|
Merkestrøm
|
0,6 A (maks. 0,7 A)
|
0,3 A (maks. 0,4 A)
|
|
Strømforbruk
|
Omtrent 11,7 W (maks. 22,1 W) (Frittstående kopiering)
Omtrent 3,8 W (Hvilemodus)
Omtrent 1,0 W (maks.) (Avslåttmodus)
|
Omtrent 11,5 W (maks. 22,4 W) (Frittstående kopiering)
Omtrent 3,8 W (Hvilemodus)
Omtrent 1,0 W (maks.) (Avslåttmodus)
|
Miljø
|
Temperatur
|
I bruk
|
10 til 35 ˚C
|
|
Lagring
|
-20 til 60 ˚C 1 måned ved 40 ˚C 120 timer ved 60 ˚C
|
|
Luftfuktighet
|
I bruk
|
20 til 80 %, uten kondens
|
|
Lagring
|
5 til 85 %, uten kondens
|
|
Bruksforhold
|
Vanlige kontor- eller hjemmeforhold. Unngå å bruke skanneren i direkte sollys, nær kraftige lyskilder eller i svært støvete omgivelser.
|
Grensesnitt
USB-grensesnitt
|
USB 1.1 Full-Speed (for PictBridge-kompatible enheter / masselagringsklasse for ekstern lagring)
|
Standarder og godkjenninger
Amerikansk modell:
|
Sikkerhet
|
UL60950-1 CAN/CSA-C22.2 nr. 60950-1
|
|
EMC
|
FCC Del 15 underdel B klasse B CAN/CSA- CEI/IEC CISPR 22 klasse B
|
Europeisk modell:
|
Lavspenningsdirektiv 2006/95/EF
|
EN 60950-1
|
|
EMC-direktiv 2004/108/EF
|
EN 55022 (CISPR pub. 22) klasse B EN 55024 EN 61000-3-2 EN 61000-3-3
|
Australsk modell:
|
EMC
|
AS/NZS CISPR 22 klasse B
|
|  |