 |
Papier
Cartridges
Mechanische specificaties
Elektrische specificaties
Omgevingsspecificaties
Normen en goedkeuringen
Interface
 |
Opmerking: |
 |
|
Aangezien de kwaliteit van een bepaald merk of type papier op elk moment kan worden gewijzigd door de fabrikant, kan Epson niet instaan voor de kwaliteit van papier dat niet door Epson zelf wordt geleverd. Probeer papier altijd eerst uit voordat u hiervan grote hoeveelheden aanschaft of hierop grote taken afdrukt.
|
|
Losse vellen:
|
Formaat
|
A4 (210 × 297 mm)
10 × 15 cm (4 × 6 inch)
13 × 18 cm (5 × 7 inch)
A6 (105 × 148 mm)
A5 (148 × 210 mm)
B5 (182 × 257 mm)
9 × 13 cm (3,5 × 5 inch)
13 × 20 cm (5 × 8 inch)
20 × 25 cm (8 × 10 inch)
Letter (8,5 × 11 inch)
Legal (8,5 × 14 inch)
|
|
Papiersoorten
|
Gewoon papier of speciaal afdrukmateriaal van Epson
|
|
Dikte (voor gewoon papier)
|
0,08 tot 0,11 mm (0,003 tot 0,004 inch)
|
|
Gewicht (voor gewoon papier)
|
64 g/m² (17 lb) tot 90 g/m² (24 lb)
|
Enveloppen:
|
Formaat
|
Envelop #10 (4 1/8 × 9 1/2 inch)
Envelop DL (110 × 220 mm)
Envelop C6 (114 × 162 mm)
Envelop (132 × 220 mm)
|
|
Papiersoorten
|
Gewoon papier
|
|
Gewicht
|
75 g/m² (20 lb) tot 90 g/m² (24 lb)
|
 |
Opmerking: |
Losse vellen en indexkaarten:
|
Normaal
|
Randloos
|
|
|
|
Enveloppen:
|
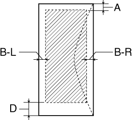
Diagonale lijnen geven het afdrukgebied aan.
|
|
A:
|
De bovenmarge is minimaal 3,0 mm (0,12").
|
|
B-L:
|
De linkermarge is minimaal 3,0 mm (0,12") voor losse vellen en indexkaarten. De linkermarge is minimaal 5,0 mm (0,20") voor enveloppen.
|
|
B-R:
|
De rechtermarge is minimaal 3,0 mm (0,12") voor losse vellen en indexkaarten. De rechtermarge is minimaal 5,0 mm (0,20") voor enveloppen.
|
|
C:
|
De ondermarge is minimaal 3,0 mm (0,12") voor losse vellen en indexkaarten.
|
|
D:
|
De ondermarge is minimaal 20 mm (0,78") voor enveloppen.
|
 |
Opmerking: |
 |
|
Afhankelijk van het gebruikte papier, kan de afdrukkwaliteit minder zijn aan de boven- en onderkant van de afdruk, of kunnen deze gedeelten vegen vertonen.
|
|
|
Kleur
|
Geel, magenta, cyaan en zwart
|
|
Levensduur
|
6 maanden na openen verpakking, bij 25 ˚C (77 ˚F)
|
|
Temperatuur
|
Opslag: -20 tot 40 ˚C (-4 tot 104 ˚F)
1 maand bij 40 ˚C (104 ˚F)
Vriespunt:* -16 ˚C (3,2 ˚F)
|
* Inkt ontdooit en is bruikbaar na circa 3 uur op 25 ˚C (77 ˚F).
 |
Let op: |
 |
Opmerking: |
 |
|
De cartridges die bij de printer zijn geleverd, worden deels verbruikt bij de installatie van de printer. Voor afdrukken van hoge kwaliteit moet de printkop in de printer volledig zijn geladen met inkt. Dit eenmalige proces verbruikt een bepaalde hoeveelheid inkt. De cartridges die u daarna installeert, hebben wel de normale opgegeven levensduur.
|
|
Mechanische specificaties
|
Papierpad
|
Papiertoevoer, boveninvoer
|
|
Capaciteit papiertoevoer
|
Circa 120 vel van 90 g/m² (24 lb)
|
|
Afmetingen
|
Opslag
Breedte: 460 mm (18,1 inch)
Diepte: 242 mm (9,5 inch)
Hoogte: 198 mm (7,8 inch)
|
|
Afdrukken
Breedte: 460 mm (18,1 inch)
Diepte: 437 mm (17,2 inch)
Hoogte: 308 mm (12,1 inch)
|
|
Gewicht
|
4,6 kg (10,1 lb) zonder cartridges
|
Elektrische specificaties
|
|
Model met universele voeding
|
|
Invoervoltage
|
90 tot 264 V
|
|
Frequentiebereik
|
50 tot 60 Hz
|
|
Invoerfrequentie
|
49,5 tot 60,5 Hz
|
|
Stroomsterkte
|
0,2 A (max. 0,4 A)
|
|
Stroomverbruik
|
Circa 19 W (ISO10561 Letter Pattern) Circa 4,5 W in slaapstand Circa 0,8 W wanneer uitgeschakeld
|
 |
Opmerking: |
 |
|
Het voltage van uw printer staat vermeld op het etiket op de achterkant.
|
|
|
Temperatuur
|
Gebruik: 10 tot 35 ˚C (50 tot 95 ˚F)
Opslag: -20 tot 60 ˚C (-4 tot 140 ˚F)
1 maand bij 40 ˚C (104 ˚F)
|
|
Luchtvochtigheid
|
Gebruik:* 20 tot 80% RV
Opslag:* 5 tot 85% RV
|
* Zonder condensatie
Amerikaans model:
|
Veiligheid
|
UL 60950 CSA nr. 60950
|
|
EMC
|
FCC lid 15 sublid B klasse B CSA C108.8 klasse B
|
Europees model:
|
Laagspanningsrichtlijn 73/23/EEG
|
EN 60950
|
|
EMC-richtlijn 89/336/EEG
|
EN 55022 klasse B
EN 55024
EN 61000-3-2
EN 61000-3-3
|
Australisch model:
|
EMC
|
AS/NZS CISPR 22 klasse B
|
|
Standaard
|
Gebaseerd op Universal Serial Bus Specifications Revision 1.1, Universal Serial Bus Device Class Definition for Printing Devices Version 1.1
|
|
Bitsnelheid
|
12 Mbps (Full Speed)
|
|
Gegevenscodering
|
NRZI
|
|
Aansluiting
|
USB B
|
|
Aanbevolen kabellengte
|
Max. 2 meter
|
| Bidirectionele parallelle interface conform IEEE 1284 |
|  |