 |
Specifiche tecniche
Specifiche della stampante
|
Percorso della carta
|
Alimentatore, ingresso superiore
|
|
Capacità
|
Circa 80 fogli di carta da 90 g/m² (24 lb)*
|
* Per i formati Legal e User Defined (Definito dall'utente), caricare un foglio alla volta.
Carta
 Nota:
Poiché la qualità di qualunque particolare marca o tipo di carta può essere cambiata dal produttore in qualsiasi momento, Epson non può assicurare la qualità di qualunque marca o tipo di carta non originale Epson. Prima di acquistare grandi quantità di carta o stampare lavori di grandi dimensioni, si raccomanda di eseguire sempre una prova con dei campioni.
La carta di qualità scadente può ridurre la qualità di stampa e causare inceppamenti ed altri problemi. In questi casi, passare a una carta di qualità superiore.
Usare la carta in condizioni ambientali normali: Temperatura da 10 a 35˚C (da 50 a 95˚F) Umidità relativa da 20 a 80%
|
Fogli singoli:
|
Formato
|
A4 210 × 297 mm
10 × 15 cm (4 × 6 pollici)
13 × 18 cm (5 × 7 pollici)
A6 105 × 148 mm
A5 148 × 210 mm
B5 182 × 257 mm
9 × 13 cm (3,5 × 5 pollici)
13 × 20 cm (5 × 8 pollici)
20 × 25 cm (8 × 10 pollici)
Formato ampio 16:9 (102 × 181 mm)
Letter 8 1/2 × 11 pollici
Legal 8 1/2 × 14 pollici
|
|
Tipi di carta
|
Carta comune o carta speciale distribuita da Epson
|
|
Spessore (per carta comune)
|
Da 0,08 a 0,11 mm (da 0,003 a 0,004 pollici)
|
|
Peso (per carta comune)
|
Da 64 g/m² (17 lb) a 90 g/m² (24 lb)
|
Buste:
|
Formato
|
Busta #10 4 1/8 × 9 1/2 pollici
Busta DL 110 × 220 mm
Busta C6 114 × 162 mm
|
|
Tipi di carta
|
Carta comune
|
|
Peso
|
Da 75 g/m² (20 lb) a 90 g/m² (24 lb)
|
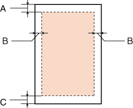
Area stampabile
Le parti evidenziate indicano l'area stampabile.
Fogli singoli e cartoline:
Buste:
|
|
Margine minimo con stampa normale
|
|
Tipo di supporto
|
Fogli singoli e cartoline
|
Buste
|
|
A
|
3,0 mm (0,12 pollici)
|
3,0 mm (0,12 pollici)
|
|
B-L, B-R
|
3,0 mm (0,12 pollici)
|
5,0 mm (0,20 pollici)
|
|
C
|
3,0 mm (0,12 pollici)
|
20 mm (0,78 pollici)
|
 Nota:
|
A seconda del tipo di carta, è possibile che la qualità di stampa si riduca nelle aree superiore e inferiore della stampa o che tali aree risultino macchiate.
|
Specifiche dello scanner
 Nota:
|
Le specifiche sono soggette a modifiche senza preavviso.
|
|
Tipo di scanner
|
Piano fisso a colori
|
|
Dispositivo fotoelettrico
|
CIS
|
|
Pixel reali
|
5.100 × 14.040 pixel a 1200 dpi
|
|
Formato documento
|
216 × 297 mm (8,5 × 11,7 pollici) formato A4 o US letter
|
|
Risoluzione di scansione
|
Da 50 a 4800, 7200 e 9600 dpi (da 50 a 4800 dpi con incrementi di 1 dpi)
|
|
Risoluzione di output
|
600 dpi (scansione principale) 1200 dpi (scansione secondaria)
|
|
Dati immagine
|
16 bit per pixel per colore, interna 8 bit per pixel per colore, esterna (massimo)
|
|
Interfaccia
|
Una porta USB
|
|
Sorgente luminosa
|
LED RGB tre colori
|
Specifiche meccaniche
|
Dimensioni
|
Larghezza: 434 mm (17,0 pollici) Profondità: 326,5 mm (12,6 pollici) Altezza: 185,2 mm (7,3 pollici)
|
|
Peso
* Senza le cartucce d’inchiostro
|
Circa 4,45 kg (9,8 lb)
|
Specifiche elettriche
 Nota:
|
Controllare l’etichetta posta sul retro dello scanner per informazioni sulla tensione da usare.
|
|
|
Modello 100-127 V
|
Modello 220-240 V
|
|
Tensione ingresso
|
CA da 90 a 132 V
|
CA da 198 a 264 V
|
|
Frequenza nominale
|
Da 50 a 60 Hz
|
|
Assorbimento di corrente nominale
|
0,6 A (Max 0,7 A)
|
0,3 A (Max 0,4 A)
|
|
Consumo elettrico
|
Circa 11,7 W (Max 22,1 W) (Copia autonoma)
Circa 3,8 W (Modalità riposo)
Circa 1 W (Max) (Modalità alimentazione spenta)
|
Circa 11,5 W (Max 22,4 W) (Copia autonoma)
Circa 3,8 W (Modalità riposo)
Circa 1 W (Max) (Modalità alimentazione spenta)
|
Specifiche ambientali
|
Temperatura
|
Operativa
|
da 10 a 35˚C (da 50 a 95˚F)
|
|
Immagazzinamento
|
da -20 a 60˚C (da -4 a 140˚F) 1 mese a 40˚C (104˚F) 120 ore a 60˚C (140˚F)
|
|
Umidità
|
Operativa
|
Dal 20 all'80%, senza condensa
|
|
Immagazzinamento
|
Dal 5 all'85%, senza condensa
|
|
Condizioni operative
|
Ambiente di ufficio o domestico tipico. Evitare l'uso dello scanner alla luce solare diretta, in prossimità una forte sorgente luminosa o in un ambiente estremamente polveroso.
|
Interfacce
Interfaccia USB
|
USB 1.1 Full-Speed (per periferiche compatibili PictBridge/Classe di archiviazione di massa per archiviazione esterna)
|
Standard e approvazioni
Modello statunitense:
|
Sicurezza
|
UL60950-1 CAN/CSA-C22.2 No. 60950-1
|
|
EMC
|
FCC Parte 15 Paragrafo B Classe B CAN/CSA- CEI/IEC CISPR 22 Class B
|
Modello europeo:
|
Direttiva sulle basse tensioni 2006/95/EC
|
EN 60950-1
|
|
Direttiva sulle emissioni elettromagnetiche 2004/108/EC
|
EN 55022 (CISPR Pub.22) Class B EN 55024 EN 61000-3-2 EN 61000-3-3
|
Modello australiano:
|
EMC
|
AS/NZS CISPR 22 Class B
|
|  |