 |
Caractéristiques techniques
Caractéristiques de l'imprimante
|
Trajet du papier
|
Bac feuille à feuille, insertion par le haut
|
|
Capacité
|
Environ 80 feuilles de papier de 90 g/m² (24 livres)*
|
* Pour les tailles Legal et User Defined (Personnalisée), ne chargez qu'une feuille à la fois.
Papier
 Remarque :
La qualité des marques ou types de papier pouvant être changée par le fabricant sans préavis, Epson ne peut garantir la qualité d’aucun papier de marque autre que Epson. Procédez à des essais avant d’acheter de grandes quantités de papier ou d’imprimer des travaux importants.
Du papier de mauvaise qualité peut diminuer la qualité d’impression et provoquer des bourrages ou d’autres problèmes. Si vous rencontrez beaucoup de problèmes, choisissez du papier de qualité supérieure.
Utilisez le papier dans des conditions normales : Température de 10 à 35˚C (50 à 95˚F) Humidité relative de 20 à 80 %
|
Feuilles simples :
|
Taille
|
A4 210 × 297 mm
10 × 15 cm (4 × 6")
13 × 18 cm (5 × 7")
A6 105 × 148 mm
A5 148 × 210 mm
B5 182 × 257 mm
9 × 13 cm (3,5 × 5")
13 × 20 cm (5 × 8")
20 × 25 cm (8 × 10")
Taille 16:9 (102 × 181 mm)
Letter 8 1/2 × 11"
Legal 8 1/2 × 14"
|
|
Types de papier
|
Papier ordinaire ou papiers spéciaux distribués par Epson
|
|
Épaisseur (papier ordinaire)
|
0,08 à 0,11 mm (0,003 à 0,004")
|
|
Poids (papier ordinaire)
|
64 g/m² (17 livres) à 90 g/m² (24 livres)
|
Enveloppes :
|
Taille
|
Enveloppe #10 4 1/8 × 9 1/2"
Enveloppe DL 110 × 220 mm
Enveloppe C6 114 × 162 mm
|
|
Types de papier
|
Papier ordinaire
|
|
Poids
|
75 g/m² (20 livres) à 90 g/m² (24 livres)
|
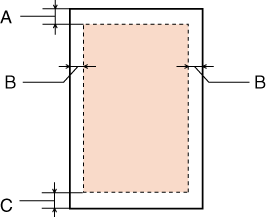
Zone imprimable
Les sections mises en surbrillance représentent la zone imprimable.
Feuilles simples et fiches :
Enveloppes :
|
|
Marge minimale lors de l'impression normale
|
|
Type de support
|
Feuilles simples et fiches
|
Enveloppes
|
|
A
|
3,0 mm (0,12")
|
3,0 mm (0,12")
|
|
B-L, B-R
|
3,0 mm (0,12")
|
5,0 mm (0,20")
|
|
C
|
3,0 mm (0,12")
|
20 mm (0,78")
|
 Remarque :
|
Selon le type de papier utilisé, la qualité d'impression peut décliner dans le haut et le bas de l'impression et ces zones peuvent être tachées.
|
Caractéristiques du scanner
 Remarque :
|
Les caractéristiques techniques sont sujettes à modification sans préavis.
|
|
Type de scanner
|
Couleur à plat
|
|
Dispositif photoélectrique
|
CIS
|
|
Pixels effectifs
|
5 100 × 14 040 pixels à 1 200 dpi
|
|
Taille du document
|
216 × 297 mm (8,5 × 11,7 pouces), format A4 ou US Letter
|
|
Résolution de numérisation
|
50 à 4 800, 7 200 et 9 600 dpi (de 50 à 4 800 dpi par pas de 1 dpi)
|
|
Résolution de sortie
|
600 dpi (numérisation principale) 1 200 dpi (numérisation secondaire)
|
|
Données d'image
|
16 bits par pixel par couleur interne 8 bits par pixel par couleur externe (maximum)
|
|
Interface
|
Un port USB
|
|
Source lumineuse
|
Diode électroluminescente tricolore RVB
|
Caractéristiques mécaniques
|
Dimensions
|
Largeur : 434 mm (17 pouces) Profondeur : 326,5 mm (12,6 pouces) Hauteur : 185,2 mm (7,3 pouces)
|
|
Poids
* Sans les cartouches d'encre
|
Environ 4,45 kg (9,8 livres)
|
Caractéristiques électriques
 Remarque :
|
Consultez l'étiquette située à l'arrière du scanner pour les informations relatives à la tension.
|
|
|
Modèle 100-127 V
|
Modèle 220-240 V
|
|
Tension d'entrée
|
90 à 132 V c.a.
|
198 à 264 V c.a.
|
|
Fréquence nominale
|
50 à 60 Hz
|
|
Intensité nominale
|
0,6 A (0,7 A maximum)
|
0,3 A (0,4 A maximum)
|
|
Consommation électrique
|
Environ 11,7 W (22,1 W maximum) (copie en mode autonome)
Environ 3,8 W (mode veille)
Environ 1 W (maximum) (mode hors tension)
|
Environ 11,5 W (22,4 W maximum) (copie en mode autonome)
Environ 3,8 W (mode veille)
Environ 1 W (maximum) (mode hors tension)
|
Environnement
|
Température
|
Fonctionnement
|
10 à 35˚C (50 à 95˚F)
|
|
Stockage
|
-20 à 60˚C (-4 à 140˚F) 1 mois à 40˚C (104˚F) 120 heures à 60˚C (140˚F)
|
|
Humidité
|
Fonctionnement
|
20 à 80 %, sans condensation
|
|
Stockage
|
5 à 85 %, sans condensation
|
|
Conditions de fonctionnement
|
Conditions normales, à la maison ou au bureau. Évitez de placer le scanner à la lumière directe du soleil, à proximité d'une source lumineuse intense ou dans un environnement particulièrement poussiéreux.
|
Interfaces
Interface USB
|
USB 1.1 Full-Speed (pour les périphériques PictBridge/périphériques de stockage externe de masse)
|
Normes et conformité
Modèle américain :
|
Sécurité
|
UL60950-1 CAN/CSA-C22.2 No. 60950-1
|
|
CEM
|
FCC Part 15 Subpart B Class B CAN/CSA- CEI/IEC CISPR 22 Class B
|
Modèle européen :
|
Directive basse tension 2006/95/CE
|
EN 60950-1
|
|
Directive CEM 2004/108/CE
|
EN 55022 (CISPR Pub.22) Class B EN 55024 EN 61000-3-2 EN 61000-3-3
|
Modèle australien :
|
CEM
|
AS/NZS CISPR 22 Class B
|
|  |