 |
Tekniset tiedot
Tulostimen tekniset tiedot
|
Paperirata
|
Arkinsyöttölaite, syöttö päältä
|
|
Kapasiteetti
|
Noin 80 arkkia, paperin paino 90 g/m² *
|
* Aseta Legal- ja User Defined (Käyttäjän määrittämä) -kokoja vain yksi arkki kerrallaan.
Paperi
 Huomautus:
Koska paperinvalmistaja voi muuttaa tietynmerkkisen tai -tyyppisen paperin laatua, Epson ei voi taata muiden valmistajien paperimerkkien tai -tyyppien laatua. Testaa paperin sopivuus ennen suurten erien ostoa tai suuria tulostustöitä.
Huonolaatuinen paperi voi huonontaa tulostuslaatua sekä aiheuttaa paperitukoksia ja muita ongelmia. Jos kohtaat paperiin liittyviä tulostusongelmia, ota käyttöön laadukkaampaa paperia.
Käytä paperia normaaliolosuhteissa: Lämpötila 10 - 35 ˚C Kosteus 20 - 80% suhteellinen kosteus
|
Yksittäiset arkit:
|
Koko
|
A4 210 × 297 mm
10 × 15 cm
13 × 18 cm
A6 105 × 148 mm
A5 148 × 210 mm
B5 182 × 257 mm
9 × 13 cm
13 × 20 cm
20 × 25 cm
16:9 laajakuva (102 × 181 mm)
Letter 216 × 279 mm
Legal 216 × 355 mm
|
|
Paperityypit
|
Tavallinen tulostuspaperi tai Epson-erikoispaperi
|
|
Paksuus (tavallinen tulostuspaperi)
|
0,08 - 0,11 mm
|
|
Paino (tavallinen tulostuspaperi)
|
64 g/m² - 90 g/m²
|
Kirjekuoret:
|
Koko
|
Kirjekuori #10 105 × 241 mm
Kirjekuori DL 110 × 220 mm
Kirjekuori C6 114 × 162 mm
|
|
Paperityypit
|
Tavallinen paperi
|
|
Paino
|
75 g/m² - 90 g/m²
|
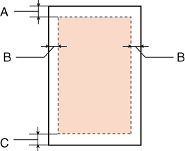
Tulostusalue
Tulostusalue on korostettu.
Yksittäiset arkit ja hakemistokortit:
Kirjekuoret:
|
|
Vähimmäismarginaali normaalitulostuksessa
|
|
Tulostusmateriaali
|
Yksittäiset arkit ja hakemistokortit
|
Kirjekuoret
|
|
A
|
3,0 mm
|
3,0 mm
|
|
B-L, B-R
|
3,0 mm
|
5,0 mm
|
|
C
|
3,0 mm
|
20 mm
|
 Huomautus:
|
Tulostusmateriaalin mukaan tulostuslaatu voi olla heikko tulosteen ylä- ja alaosassa, tai nämä alueet voivat olla tahriintuneita.
|
Skannerin tekniset tiedot
 Huomautus:
|
Oikeudet tietojen muutoksiin pidätetään.
|
|
Skannerin tyyppi
|
Tasoskanneri, väri
|
|
Valosähköinen laite
|
CIS
|
|
Teholliset pikselit
|
5100 × 14 040 pikesliä, 1200 dpi
|
|
Asiakirjan koko
|
216 × 297 mm, A4-koko tai US letter -koko
|
|
Skannaustarkkuus
|
50 - 4800, 7200 ja 9600 dpi (50 - 4800 dpi:tä 1 dpi:n välein)
|
|
Tulostuksen tarkkuus
|
600 dpi (pääskannaus) 1200 dpi (osaskannaus)
|
|
Kuvan tiedot
|
16 bittiä/pikseli/väri sisäinen 8 bittiä/pikseli/väri ulkoinen (maksimi)
|
|
Liitäntä
|
Yksi USB-portti
|
|
Valonlähde
|
RGB kolmivärinen LED
|
Mekaaniset ominaisuudet
|
Mitat
|
Leveys: 434 mm Syvyys: 326,5 mm Korkeus: 185,2 mm
|
|
Paino
* Ilman värikasetteja
|
Noin 4,45 kg
|
Sähköominaisuudet
 Huomautus:
|
Katso jännitetiedot skannerin takaosassa olevasta tyyppikilvestä.
|
|
|
100-127 V malli
|
220-240 V malli
|
|
Tulojännite
|
AC 90 - 132 V
|
AC 198 - 264 V
|
|
Nimellistaajuus
|
50 - 60 Hz
|
|
Nimellisvirta
|
0,6 A (maks. 0,7 A)
|
0,3 A (maks. 0,4 A)
|
|
Virrankulutus
|
Noin 11,7 W (maks. 22,1 W) (Itsenäinen kopiointi)
Noin 3,8 W (Lepotila)
Noin 1,0 W (maks.) (Virraton tila)
|
Noin 11,5 W (maks. 22,4 W) (Itsenäinen kopiointi)
Noin 3,8 W (Lepotila)
Noin 1,0 W (maks.) (Virraton tila)
|
Ympäristö
|
Lämpötila
|
Toiminnassa
|
10 - 35 ˚C
|
|
Varastointi
|
-20 - 60 ˚C 1 kuukausi 40 ˚C 120 tuntia lämpötilassa 60 ˚C
|
|
Ilmankosteus
|
Toiminnassa
|
20 - 80%, ei tiivistymistä
|
|
Varastointi
|
5 - 85%, ei tiivistymistä
|
|
Toimintaolosuhteet
|
Tavallinen toimisto tai kotitoimisto. Vältä skannerin käyttöä suorassa auringonvalossa, lähellä voimakasta valonlähdettä tai erittäin pölyisissä oloissa.
|
Liitännät
USB-liitäntä
|
USB 1.1 Full-Speed (PictBridge-yhteensopiville laitteille/Ulkoisen muistin massamuistiluokka)
|
Standardit ja hyväksynnät
USA:ssa myytävät mallit:
|
Turvallisuus
|
UL60950-1 CAN/CSA-C22.2 No. 60950-1
|
|
EMC
|
FCC Part 15 Subpart B Class B CAN/CSA- CEI/IEC CISPR 22 luokka B
|
Eurooppalainen malli:
|
Pienjännitedirektiivi 2006/95/EY
|
EN 60950-1
|
|
EMC-direktiivi 2004/108/EY
|
EN 55022 (CISPR Pub.22) luokka B EN 55024 EN 61000-3-2 EN 61000-3-3
|
Australian malli:
|
EMC
|
AS/NZS CISPR 22 luokka B
|
|  |