 |
Especificaciones técnicas
Papel
Ranuras para tarjetas de memoria
Cartuchos de tinta
Especificaciones mecánicas
Especificaciones eléctricas
Especificaciones ambientales
Normas y homologaciones
Interfaz
 |
Nota: |
 |
-
Puesto que el fabricante puede cambiar en cualquier momento la calidad de cualquier marca o tipo de papel concreto, Epson no puede garantizar las prestaciones de ninguna marca ni tipo de papel que no sea Epson. Realice siempre pruebas con muestras de papel antes de adquirirlo en grandes cantidades o imprimir trabajos de gran volumen.
|
|
Hojas sueltas:
|
Tamaño
|
A4 210 × 297 mm
10 × 15 cm
13 × 18 cm
A6 105 × 148 mm
A5 148 × 210 mm
B5 182 × 257 mm
9 × 13 cm
13 × 20 cm
20 × 25 cm
16:9 de ancho (102 × 181 mm)
100 × 148 mm
Carta 8 1/2 × 11 pulg.
Legal 8 1/2 × 14 pulg.
|
|
Tipos de papel
|
Papel normal de calidad o papel especial distribuido por Epson
|
|
Grosor (papel de calidad normal)
|
Entre 0,08 y 0,11 mm
|
|
Peso (papel de calidad normal)
|
De 64 g/m² a 90 g/m²
|
Sobres:
|
Tamaño
|
Sobre #10 4 1/8 × 9 1/2 pulg
Sobre DL 110 × 220 mm
Sobre C6 114 × 162 mm
|
|
Tipos de papel
|
Papel normal de calidad
|
|
Peso
|
De 75 g/m² a 90 g/m²
|
Las líneas diagonales muestran el área imprimible.
Hojas sueltas y tarjetas:
|
Normal
|
Sin márgenes
|
|
|
|
Sobres:
|
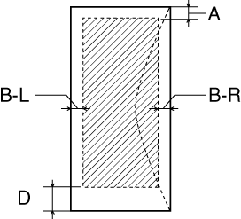
A:
|
El margen superior mínimo es de 3,0 mm.
|
|
B-L:
|
El margen izquierdo mínimo es de 3,0 mm.
|
|
El margen izquierdo mínimo es de 5,0 mm para los sobres.
|
|
B-R:
|
El margen derecho mínimo es de 3,0 mm.
|
|
El margen derecho mínimo es de 5,0 mm para los sobres.
|
|
C:
|
El margen inferior mínimo es de 3,0 mm para las hojas sueltas y las tarjetas.
|
|
D:
|
El margen inferior mínimo es de 20 mm para los sobres.
|
 |
Nota: |
 |
|
Según el tipo de papel utilizado, es posible que la calidad de impresión sea menor en las zonas superior e inferior de la impresión, o que éstas se manchen.
|
|
CD/DVD:
|
CD/DVD de 12 cm
|
CD/DVD de 8 cm
|
 |
Nota: |
 |
|
Si está imprimiendo en las áreas siguientes del disco, es posible que el disco o la bandeja de CD/DVD se manchen de tinta.
|
|
|
Área interna del concentrador
|
De 18 a 42 mm
|
|
Área externa de la periferia
|
De 117 a 120 mm (CD/DVD de 12 cm), De 77 a 80 mm (CD/DVD de 8 cm)
|
Ranuras para tarjetas de memoria
|
Tarjetas de memoria compatibles
|
CompactFlash
Memory Stick
Memory Stick PRO
Memory Stick Duo*
Memory Stick PRO Duo*
MagicGate Memory Stick
MagicGate Memory Stick Duo*
Microdrive
Tarjeta de memoria SD
Tarjeta de memoria SDHC
MultiMediaCard
Tarjeta miniSD*
Tarjeta miniSDHC*
Tarjeta microSD*
Tarjeta microSDHC*
Tarjeta xD-Picture
xD Picture Card Type M
xD-Picture Card Type H
|
|
Requisitos de voltaje
|
3,3 v
Corriente máxima de 500 mA
|
* Imprescindible adaptador.
Compatibilidad de la ranura para tarjetas de memoria:
|
Ranura para tarjetas CF Tipo II
|
Compatible con tarjetas de especificación CF+ y CompactFlash 3.0
|
|
Ranura para tarjetas de memoria Memory Stick/MemoryStick PRO
|
Compatible con tarjetas estándar Memory Stick versión 1.42-00 o tarjetas de especificación de formato estándar Memory Stick y Memory Stick PRO versión 1.02-00
|
|
Ranura para tarjetas SD/MMC
|
Compatible con especificaciones de tarjetas de memoria SD / PARTE1. Tarjetas Physical Layer Specification versión 2.0 y tarjetas estándar MultiMediaCard versión 4.1
|
|
Ranura para tarjetas xD-Picture
|
Compatible con tarjetas xD-Pictur™ Especificación de tarjeta de versión 1.20 Tipo M y Tipo H
|
|
Color
|
Amarillo, Magenta, Cian, Negro, Magenta claro y Cian claro
|
|
Duración del cartucho
|
Podrá utilizarse durante los 6 meses siguientes a la apertura del paquete.
|
|
Temperatura
|
Almacenamiento: -20 a 40 ˚C
1 mes a 40 ˚C
Congelación:* -16 ˚C
|
* La tinta tarda en descongelarse y estar lista para su uso unas 3 horas a 25 ˚C.
 |
Precaución: |
 |
-
Epson recomienda la utilización de cartuchos de tinta originales de Epson. Otros productos no fabricados por Epson pueden ocasionar averías en la impresora que no cubrirá la garantía de Epson y, en determinadas circunstancias, pueden provocar un funcionamiento imprevisible de la impresora.
-
No rellene el cartucho de tinta. Otros productos no fabricados por Epson pueden ocasionar averías en la impresora que no cubrirá la garantía de Epson y, en determinadas circunstancias, pueden provocar un funcionamiento imprevisible de la impresora.
|
|
 |
Nota: |
 |
-
Los cartuchos de tinta empaquetados con la impresora se utilizan parcialmente durante la configuración inicial. Para realizar impresiones de alta calidad, el cabezal de la impresora debe estar cargado de tinta. Con este procedimiento fuera de serie se consume poca tinta y, por lo tanto, los cartuchos duran más tiempo.
-
Este rendimiento puede variar dependiendo de las imágenes que se estén imprimiendo, el tipo de papel que se utilice, la frecuencia de las impresiones y las condiciones ambientales, como por ejemplo la temperatura.
|
|
Especificaciones mecánicas
|
Recorrido del papel
|
Alimentador de hojas, entrada superior
|
|
Capacidad del alimentador de hojas
|
Unas 120 hojas de papel de 90 g/m²
|
|
Dimensiones
|
Almacenamiento
Anchura: 450 mm
Profundidad: 418 mm
Altura: 210 mm
|
|
Impresión
Anchura: 450 mm
Largo: 480 mm
Altura: 300 mm
|
|
Peso
|
Unos 8,3 kg sin los cartuchos de tinta
|
Especificaciones eléctricas
|
|
Modelo de 100-120 V
|
Modelo de 220-240 V
|
|
Intervalo de voltaje de entrada
|
De 90 a 132 V de CA
|
De 198 a 264 V de CA
|
|
Intervalo de frecuencia nominal
|
De 50 a 60 Hz
|
|
Intervalo de frecuencia de entrada
|
De 49,5 a 60,5 Hz
|
|
Intensidad nominal
|
0,6 A (1,2 A máximo)
|
0,3 A (0,6 A máximo)
|
|
Consumo
|
Copia
|
Aproximadamente 16 W (patrón de carta ISO/IEC10561)
|
Aproximadamente 16 W (patrón de carta ISO/IEC10561)
|
|
Modo de bajo consumo
|
Aproximadamente 5,5 W
|
Aproximadamente 5,5 W
|
|
Modo de reposo
|
Aproximadamente 2,5 W
|
Aproximadamente 2,7 W
|
|
Modo apagado
|
Aproximadamente 0,2 W
|
Aproximadamente 0,3 W
|
 |
Nota: |
 |
|
Consulte el voltaje de la impresora en la etiqueta de la parte posterior.
|
|
Especificaciones ambientales
|
Temperatura
|
Funcionamiento: de 10 a 35 ˚C
Almacenamiento: de -20 a 40 ˚C
1 mes a 40 ˚C
|
|
Humedad
|
Funcionamiento:* de 20 a 80% HR
Almacenamiento:* de 5 a 85% HR
|
* Sin condensación
Modelo para EE.UU.:
|
Seguridad
|
UL 60950-1 CAN/CSA-22.2 N.º 60950-1
|
|
EMC
|
FCC, Parte 15, Subparte B, Clase B CAN/CSA-CEI/IEC CISPR 22 Clase B
|
Modelo para Europa:
|
Directiva de bajo voltaje 73/72/EEC
|
EN 60950-1
|
|
Directiva EMC 89/336/EEC
|
EN55022 (CISPR Pub.22) Clase B EN61000-3-2 EN61000-3-3 EN55024
|
Modelo para Australia:
|
EMC
|
AS/NZS CISPR22 Clase B
|
|
USB 2.0 Alta velocidad (clase de dispositivo para ordenadores)
|
|
USB 2.0 Alta velocidad (clase de almacenamiento masivo para dispositivos de almacenamiento externo)
|
|
Bluetooth versión 2.0+EDR (Opción)
|
|
IrDA versión 1.3
|
|  |