 |
Τεχνικές προδιαγραφές
Προδιαγραφές εκτυπωτή
|
Διαδρομή χαρτιού
|
Τροφοδότης φύλλων, είσοδος στο άνω μέρος
|
|
Χωρητικότητα
|
Περίπου 80 φύλλα με χαρτί 90 g/m² (24 lb) *
|
* Για μέγεθος Legal και μεγέθη User Defined (Ορισμός από το χρήστη), φορτώνετε ένα φύλλο κάθε φορά.
Χαρτί
 Σημείωση:
Καθώς η ποιότητα οποιασδήποτε μάρκας ή τύπου χαρτιού μπορεί να αλλάξει από τον κατασκευαστή οποιαδήποτε στιγμή, η Epson δεν μπορεί να εγγυηθεί για την ποιότητα οποιουδήποτε τύπου ή μάρκας χαρτιού που δεν είναι της μάρκας Epson. Δοκιμάζετε πάντα δείγματα του χαρτιού πριν αγοράσετε μεγάλες ποσότητες ή εκτυπώσετε μεγάλες εργασίες.
Το χαρτί κακής ποιότητας μπορεί να μειώσει την ποιότητα εκτύπωσης και να προκαλέσει εμπλοκή του χαρτιού ή άλλα προβλήματα. Αν αντιμετωπίσετε προβλήματα, χρησιμοποιήστε χαρτί υψηλότερης ποιότητας.
Χρησιμοποιείτε το χαρτί υπό κανονικές συνθήκες: Θερμοκρασία 10 έως 35 ˚C (50 έως 95 ˚F) Υγρασία 20 έως 80% RH
|
Μονά φύλλα:
|
Μέγεθος
|
A4 210 × 297 mm
10 × 15 cm (4 × 6 in.)
13 × 18 cm (5 × 7 in.)
A6 105 × 148 mm
A5 148 × 210 mm
B5 182 × 257 mm
9 × 13 cm (3,5 × 5 in.)
13 × 20 cm (5 × 8 in.)
20 × 25 cm (8 × 10 in.)
Οριζόντιο μέγεθος 16:9 (102 × 181 mm)
Letter 8 1/2 × 11 in.
Legal 8 1/2 × 14 in.
|
|
Τύποι χαρτιού
|
Απλό χαρτί ή ειδικό χαρτί που διατίθεται από την Epson
|
|
Πάχος (για απλό χαρτί)
|
0,08 έως 0,11 mm (0,003 έως 0,004 in)
|
|
Βάρος (για απλό χαρτί)
|
64 g/m² (17 lb) έως 90 g/m² (24 lb)
|
Φάκελοι:
|
Μέγεθος
|
Φάκελος #10 4 1/8 × 9 1/2 in.
Φάκελος DL 110 × 220 mm
Φάκελος C6 114 × 162 mm
|
|
Τύποι χαρτιού
|
Απλό χαρτί
|
|
Βάρος
|
75 g/m² (20 lb) έως 90 g/m² (24 lb)
|
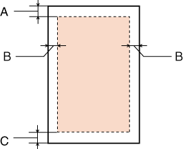
Εκτυπώσιμη περιοχή
Τα επισημασμένα τμήματα δείχνουν την εκτυπώσιμη περιοχή.
Μονά φύλλα και κάρτες ευρετηρίου:
|
Normal (Κανονική)
|
Borderless (Χωρίς περιθώρια)
|
|
|
|
Φάκελοι:
|
|
Ελάχιστο περιθώριο σε κανονική εκτύπωση
|
|
Τύπος μέσου
|
Μονά φύλλα και κάρτες ευρετηρίου
|
Envelopes (Φάκελοι)
|
|
A
|
3,0 mm (0,12 in.)
|
3,0 mm (0,12 in.)
|
|
B-L, B-R
|
3,0 mm (0,12 in.)
|
5,0 mm (0,20 in.)
|
|
C
|
3,0 mm (0,12 in.)
|
20 mm (0,78 in.)
|
 Σημείωση:
|
Ανάλογα με τον τύπο χαρτιού, η ποιότητα εκτύπωσης μπορεί να μειωθεί στις άνω και κάτω περιοχές της εκτύπωσης, διαφορετικά η περιoχή μπορεί να κηλιδωθεί.
|
Προδιαγραφές σαρωτή
 Σημείωση:
|
Οι προδιαγραφές υπόκεινται σε αλλαγές χωρίς προειδοποίηση.
|
|
Τύπος σαρωτή
|
Έγχρωμος επίπεδος
|
|
Φωτοηλεκτρική συσκευή
|
CIS
|
|
Ενεργά pixel
|
5100 × 14.040 pixel σε 1200 dpi
|
|
Μέγεθος εγγράφου
|
216 × 297 mm (8,5 × 11,7 in.) μέγεθος A4 ή US letter
|
|
Ανάλυση σάρωσης
|
50 έως 4800, 7200 και 9600 dpi (50 έως 4800 dpi σε βαθμίδες αύξησης 1 dpi)
|
|
Ανάλυση εξόδου
|
600 dpi (κύρια σάρωση) 1200 dpi (δευτερεύουσα σάρωση)
|
|
Δεδομένα εικόνας
|
16 bit ανά pixel ανά χρώμα εσωτερικά 8 bit ανά pixel ανά χρώμα εξωτερικά (μέγιστο)
|
|
Διασύνδεση
|
Μία θύρα USB
|
|
Πηγή φωτός
|
RGB - LED 3 χρωμάτων
|
Μηχανικά στοιχεία
|
Διαστάσεις
|
Πλάτος: 434 mm (17,0 in.) Βάθος: 326,5 mm (12,6 in.) Ύψος: 185,2 mm (7,3 in.)
|
|
Βάρος
* Χωρίς τα δοχεία μελανιού
|
Περίπου 4,45 kg (9,8 lb)
|
Ηλεκτρολογικά στοιχεία
 Σημείωση:
|
Για πληροφορίες σχετικά με την τάση, ελέγξτε την ετικέτα στο πίσω μέρος του σαρωτή.
|
|
|
Μοντέλο 100-127 V
|
Μοντέλο 220-240 V
|
|
Τάση εισόδου
|
AC 90 έως 132 V
|
AC 198 έως 264 V
|
|
Ονομαστική συχνότητα
|
50 έως 60 Hz
|
|
Ονομαστικό ρεύμα
|
0,6 A (Μέγ. 0,7 A)
|
0,3 A (Μέγ. 0,4 A)
|
|
Κατανάλωση ρεύματος
|
Περίπου 11,7 W (Μέγ. 22,1 W) (Αυτόνομη αντιγραφή)
Περίπου 3,8 W (Κατάσταση αναμονής)
Περίπου 1,0 W (Μέγ.) (Κατάσταση απενεργοποίησης)
|
Περίπου 11,5 W (Μέγ. 22,4 W) (Αυτόνομη αντιγραφή)
Περίπου 3,8 W (Κατάσταση αναμονής)
Περίπου 1,0 W (Μέγ.) (Κατάσταση απενεργοποίησης)
|
Περιβαλλοντικά στοιχεία
|
Θερμοκρασία
|
Λειτουργία
|
10 έως 35 ˚C (50 έως 95 ˚F)
|
|
Αποθήκευση
|
-20 έως 60 ˚C (-4 έως 140 ˚F) 1 μήνας στους 40 ˚C (104 ˚F) 120 ώρες στους 60 ˚C (140 ˚F)
|
|
Υγρασία
|
Λειτουργία
|
20 έως 80%, χωρίς συμπύκνωση
|
|
Αποθήκευση
|
5 έως 85%, χωρίς συμπύκνωση
|
|
Συνθήκες λειτουργίας
|
Κανονικές συνθήκες γραφείου ή οικίας. Αποφύγετε τη λειτουργία του εκτυπωτή σε άμεσο ηλιακό φως, κοντά σε ισχυρή πηγή φωτός ή όπου υπάρχει υπερβολική σκόνη.
|
Διασυνδέσεις
Διασύνδεση USB
|
USB 1.1 Full-Speed (για συσκευές συμβατές με PictBridge/κλάση μέσων αποθήκευσης για εξωτερικό μέσο αποθήκευσης)
|
Πρότυπα και εγκρίσεις
Μοντέλο Η.Π.Α.:
|
Ασφάλεια
|
UL60950-1 CAN/CSA-C22.2 No. 60950-1
|
|
ΗΜΣ
|
Ενότητα 15 Υποενότητα B Τάξη B των κανονισμών FCC CAN/CSA- CEI/IEC CISPR 22 Class B
|
Ευρωπαϊκό μοντέλο:
|
Οδηγία περί χαμηλής τάσης 2006/95/EΚ
|
EN 60950-1
|
|
Οδηγία περί ηλεκτρομαγνητικής συμβατότητας 2004/108/EΚ
|
EN 55022 (CISPR Pub.22) Class B EN 55024 EN 61000-3-2 EN 61000-3-3
|
Μοντέλο για την Αυστραλία:
|
ΗΜΣ
|
AS/NZS CISPR 22 Class B
|
|  |