 |
Papier
Tintenpatronen
Mechanik
Elektrische Anschlusswerte
Umgebungsbedingungen
Normen und Zertifizierungen
Schnittstelle
 |
Hinweis: |
 |
-
Epson kann keine Empfehlungen im Hinblick auf einen bestimmten Hersteller oder eine bestimmte Papiersorte geben, da sich die Qualität einer Marke oder Sorte ändern kann. Machen Sie daher immer zuerst ein paar Probeausdrucke, bevor Sie ein Druckmedium in größeren Mengen anschaffen oder große Druckaufträge starten.
|
|
Einzelblattpapier:
|
Format
|
A4 210 × 297 mm
10 × 15 cm (4 × 6 Zoll)
13 × 18 cm (5 × 7 Zoll)
A6 105 × 148 mm
A5 148 × 210 mm
A3 297 × 420 mm
A3+ 329 × 483 mm
B4.257 × 364 mm
B5 182 × 257 mm
9 × 13 cm (3,5 × 5 Zoll)
13 × 20 cm (5 × 8 Zoll)
20 × 25 cm (8 × 10 Zoll)
30 × 30 cm (12 × 12 Zoll)
16:9 Breitformat (102 × 181 mm)
100 × 148 mm
Letter 8 1/2 × 11 Zoll
Legal 8 1/2 × 14 Zoll
|
|
Papiersorten
|
Normalpapier, Epson-Spezialpapiere
|
|
Stärke (für Normalpapier)
|
0,08 bis 0,11 mm (0,003 bis 0,004 Zoll)
|
|
Gewicht (für Normalpapier)
|
64 g/m² (17 lb) bis 90 g/m² (24 lb)
|
Briefumschläge:
|
Format
|
Briefumschlag #10 4 1/8 × 9 1/2 Zoll
Briefumschlag DL 110 × 220 mm
Briefumschlag C6 114 × 162 mm
|
|
Papiersorten
|
Normalpapier
|
|
Gewicht
|
75 g/m² (20 lb) bis 90 g/m² (24 lb)
|
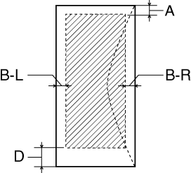
Der druckbare Bereich ist durch diagonale Linien gekennzeichnet.
Einzelblattpapier und Karteikarten:
|
Normal
|
Randlos
|
|
|
|
Briefumschläge:
|
A:
|
Der obere Rand beträgt mindestens 3 mm (0,12 Zoll).
|
|
B-L:
|
Der linke Rand beträgt mindestens 3 mm (0,12 Zoll).
|
|
Bei Briefumschlägen beträgt der linke Rand mindestens 5 mm (0,20 Zoll).
|
|
B-R:
|
Der rechte Rand beträgt mindestens 3 mm (0,12 Zoll).
|
|
Bei Briefumschlägen beträgt der rechte Rand mindestens 5 mm (0,20 Zoll).
|
|
C:
|
Bei Einzelblättern und Karteikarten beträgt der untere Rand mindestens 3 mm (0,12 Zoll).
|
|
D:
|
Bei Briefumschlägen beträgt der untere Rand mindestens 20 mm (0,78 Zoll).
|
 |
Hinweis: |
 |
|
Je nach der Art des Papiers kann die Druckqualität zum oberen und unteren Seitenrand des Ausdrucks hin schlechter ausfallen oder diese Bereiche können verschmiert sein.
|
|
CD/DVD:
|
12 cm-CD/DVD
|
8 cm-CD/DVD
|
|
|
|
 |
Hinweis: |
 |
|
Wenn Sie die folgenden Bereiche der Disc bedrucken, kann die Disc oder das CD/DVD-Magazin mit Tinte verschmutzt werden.
|
Innerer Bereich
|
18 bis 42 mm
|
|
Äußerer Randbereich
|
117 bis 120 mm (12 cm-CD/DVD), 77 bis 80 mm (8 cm-CD/DVD)
|
|
|
|
Farbe
|
Yellow (Gelb), Black (Schwarz), Light Cyan (Hellcyan), Light Magenta (Hellmagenta), Magenta, Cyan
|
|
Lebensdauer der Tintenpatrone
|
Innerhalb von sechs Monaten nach Packungsöffnung aufbrauchen
|
|
Temperatur
|
Lagerung: -20 bis 40 ˚C (-4 bis 104 ˚F)
1 Monat bei 40 ˚C (104 ˚F)
Gefrierpunkt:* -16 ˚C (3,2 ˚F)
|
* Bei einer Temperatur von 25 ˚C (77 ˚F) dauert es etwa 3 Stunden, bis die Tinte aufgetaut und wieder verwendbar ist.
 |
Vorsicht: |
 |
-
Es wird empfohlen, ausschließlich original EPSON-Tintenpatronen zu verwenden. Fremdprodukte können Schäden verursachen, die von der Epson-Garantie ausgenommen sind, und können unter bestimmten Bedingungen fehlerhaftes Verhalten des Druckers bewirken.
-
Füllen Sie die Tintenpatronen nicht nach. Fremdprodukte können Schäden verursachen, die von der Epson-Garantie ausgenommen sind, und können unter bestimmten Umständen fehlerhaftes Verhalten des Druckers bewirken.
|
|
 |
Hinweis: |
 |
-
Die mit dem Drucker gelieferten Tintenpatronen werden bei der ersten Inbetriebnahme teilweise aufgebraucht. Um qualitativ hochwertige Ausdrucke zu produzieren, wird der Druckkopf im Drucker vollständig mit Tinte geladen. Bei diesem einmaligen Prozess wird eine bestimmte Menge an Tinte aufgebraucht. Nachfolgende Patronensätze sind hiervon nicht betroffen.
-
Um eine erstklassige Druckqualität zu gewährleisten und den Druckkopf zu schonen, ist noch eine Sicherheitsreserve an Tinte in der Patrone enthalten, wenn der Drucker anzeigt, dass die Patrone ausgetauscht werden muss. Beim Anzeigen der verbleibenden Lebensdauer wird diese Reserve nicht berücksichtigt.
|
|
|
Transportweg
|
Einzelblatteinzug, Einzug von oben
|
|
Fassungsvermögen des Papierfachs
|
Ca. 120 Blatt bei einem Papiergewicht von 90 g/m² (24 lb)
|
|
Abmessungen
|
Lagerung
Breite: 615 mm (24,2 Zoll)
Tiefe: 314 mm (12,4 Zoll)
Höhe: 223 mm (8,8 Zoll)
|
|
Drucken
Breite: 615 mm (24,2 Zoll)
Tiefe: 803 mm (31,6 Zoll)
Höhe: 413 mm (16,3 Zoll)
|
|
Gewicht
|
Ca. 11,5 kg (25,3 lb) ohne Tintenpatronen
|
Elektrische Anschlusswerte
|
|
Modell 100-120 V
|
Modell 220-240 V
|
|
Eingangsspannung
|
90 bis 132 V Wechselspannung
|
198 bis 264 V Wechselspannung
|
|
Frequenzbereich
|
50 bis 60 Hz
|
|
Eingangsfrequenz
|
49,5 bis 60,5 Hz
|
|
Nennstrom
|
0,5 A (max. 0,8 A)
|
0,25 A (max. 0,4 A)
|
|
Leistungsaufnahme
|
Drucken
|
Ca. 16 W (ISO/IEC 10561 Briefmuster)
|
Ca. 16 W (ISO/IEC 10561 Briefmuster)
|
|
Ruhemodus
|
ca. 1,2 W
|
ca. 1,5 W
|
|
Ausgeschaltet
|
ca. 0,2 W
|
ca. 0,4 W
|
 |
Hinweis: |
 |
|
Überprüfen Sie die Spannungsdaten im Typenschild auf der Geräterückseite.
|
|
|
Temperatur
|
Betrieb: 10 bis 35 ˚C (50 bis 95 ˚F)
Lagerung: -20 bis 40 ˚C (-4 bis 104 ˚F)
1 Monat bei 40 ˚C (104 ˚F)
|
|
Luftfeuchtigkeit
|
Betrieb:* 20 bis 80 % rel. Luftfeuchtigkeit
Lagerung:* 5 bis 85% relative Luftfeuchtigkeit
|
* Ohne Kondensation
Normen und Zertifizierungen
US-Modell:
|
Sicherheit
|
UL 60950-1 CAN/CSA-22.2 Nr. 60950-1
|
|
EMC
|
FCC Part 15 Subpart B Class B CAN/CSA-CEI/IEC CISPR 22 Klasse B
|
Europäisches Modell:
|
Niederspannungsrichtlinie 73/72/EWG
| EN 60950-1 |
|
EMV-Richtlinie 89/336/EWG
|
EN55022 Klasse B EN61000-3-2 EN61000-3-3 EN55024
|
Australisches Modell:
|
EMC
|
AS/NZS CISPR22 Klasse B
|
|
USB 2.0 Hi-Speed (Geräteklasse für Computer)
|
|
USB 2.0 Hi-Speed (für PictBridge- oder USB DIRECT-PRINT-kompatible Geräte)
|
|  |