 |
Tekniske specifikationer
Printerspecifikationer
|
Papirbane
|
Arkføder, indføring ovenfra
|
|
Kapacitet
|
Ca. 80 ark papir 90 g/m² *
|
* Ilæg ét ark ad gangen ved Legal og User Defined (Brugerdefineret) størrelser.
Papir
 Bemærk:
Da kvaliteten af ethvert mærke og enhver papirtype når som helst kan ændres af producenten, kan Epson ikke garantere kvaliteten af nogen mærker eller papirtyper fra andre producenter end Epson. Test altid nogle prøver af papirtypen, inden du køber store mængder eller udskriver store job.
Papir af dårlig kvalitet kan reducere udskriftskvaliteten og medføre papirstop eller andre problemer. Hvis du oplever problemer, bør du skifte til en bedre papirkvalitet.
Brug papir under normale forhold: Temperatur 10 til 35 ˚C Luftfugtighed 20 til 80% RH
|
Enkeltark:
|
Størrelse
|
A4 210 × 297 mm
10 × 15 cm
13 × 18 cm
A6 105 × 148 mm
A5 148 × 210 mm
B5 182 × 257 mm
9 × 13 cm
13 × 20 cm
20 × 25 cm
Størrelse 16:9 (102 × 181 mm)
Letter 8 1/2 × 11"
Legal 8 1/2 × 14"
|
|
Papirtyper
|
Almindeligt kontraktpapir eller specialpapir distribueret af Epson
|
|
Tykkelse (for almindeligt papir)
|
0,08 til 0,11 mm
|
|
Vægt (for almindeligt papir)
|
64 g/m² til 90 g/m²
|
Konvolutter:
|
Størrelse
|
Konvolut #10 4 1/8 × 9 1/2"
Konvolut DL 110 × 220 mm
Konvolut C6 114 × 162 mm
|
|
Papirtyper
|
Almindeligt papir
|
|
Vægt
|
75 g/m² til 90 g/m²
|
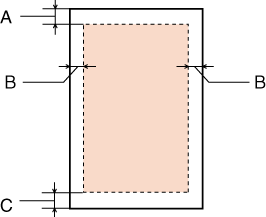
Udskriftsområde
De fremhævede dele viser udskriftsområdet.
Enkeltark og kartotekskort:
Konvolutter:
|
|
Min. margen ved normal udskrivning
|
|
Medietype
|
Enkeltark og kartotekskort
|
Konvolutter
|
|
A
|
3,0 mm
|
3,0 mm
|
|
B-L, B-R
|
3,0 mm
|
5,0 mm
|
|
C
|
3,0 mm
|
20 mm
|
 Bemærk:
|
Alt afhængigt af papirtypen kan udskriftskvaliteten blive forringet i områderne øverst og nederst på udskriften, eller området kan blive udtværet.
|
Scannerspecifikationer
 Bemærk:
|
Specifikationerne kan ændres uden forudgående varsel.
|
|
Scannertype
|
Flatbed, farve
|
|
Fotoelektrisk enhed
|
CIS
|
|
Pixel-effekt
|
5 100 × 14.040 pixel ved 1200 dpi
|
|
Dokumentformat
|
216 × 297 mm, A4- eller US letter-format
|
|
Scanneopløsning
|
50 til 4800, 7200 og 9600 dpi (50 til 4800 dpi i intervaller på 1)
|
|
Output-opløsning
|
600 dpi (hovedscanning) 1200 dpi (sekundær scanning)
|
|
Billeddata
|
16 bit pr. pixel pr. intern farve 8 bit pr. pixel pr. ekstern farve (maksimal)
|
|
Interface
|
En USB-port
|
|
Lyskilde
|
RGB LED med tre farver
|
Mekanisk
|
Mål
|
Bredde: 434 mm Dybde: 326,5 mm Højde: 185,2 mm
|
|
Vægt
* Uden blækpatroner
|
Ca. 4,45 kg
|
Elektrisk
 Bemærk:
|
Oplysninger om spænding finder du på mærkaten bag på scanneren.
|
|
|
100-127 V model
|
220-240 V model
|
|
Indgangsspænding
|
AC 90 til 132 V
|
AC 198 til 264 V
|
|
Nominel frekvens
|
50 til 60 Hz
|
|
Nominel strømstyrke
|
0,6 A (maks. 0,7 A)
|
0,3 A (maks. 0,4 A)
|
|
Strømforbrug
|
Ca. 11,7 W (maks. 22,1 W) (Enkeltstående kopiering)
Ca. 3,8 W (Dvaletilstand)
Ca. 1,0 W (maks.) (Slukket)
|
Ca. 11,5 W (maks. 22,4 W) (Enkeltstående kopiering)
Ca. 3,8 W (Dvaletilstand)
Ca. 1,0 W (maks.) (Slukket)
|
Miljømæssigt
|
Temperatur
|
Drift
|
10 til 35 ˚C
|
|
Opbevaring
|
-20 til 60 ˚C 1 måned ved 40 ˚C 120 timer ved 60 ˚C
|
|
Luftfugtighed
|
Drift
|
20 til 80% uden kondensering
|
|
Opbevaring
|
5 til 85% uden kondensering
|
|
Driftsomgivelser
|
Almindeligt kontor- eller hjemmebrug. Undgå at placere scanneren i direkte sollys, i nærheden af en kraftig lyskilde eller i meget støvede omgivelser.
|
Interfaces
USB-interface
|
USB 1.1 Full-Speed (til PictBridge-kompatible enheder/Lagerenhedsklasse for eksternt lager)
|
Standarder og godkendelser
Amerikansk model:
|
Sikkerhed
|
UL60950-1 CAN/CSA-C22.2 nr. 60950-1
|
|
EMC
|
FCC afsnit 15 underafsnit B klasse B CAN/CSA-CEI/IEC CISPR 22 klasse B
|
Europæisk model:
|
Lavspændingsdirektiv 2006/95/EØF
|
EN 60950-1
|
|
EMC-direktiv 2004/108/EF
|
EN 55022 (CISPR-udg. 22) klasse B EN 55024 EN 61000-3-2 EN 61000-3-3
|
Australsk model:
|
EMC
|
AS/NZS CISPR 22 klasse B
|
|  |